EasyManua.ls Logo

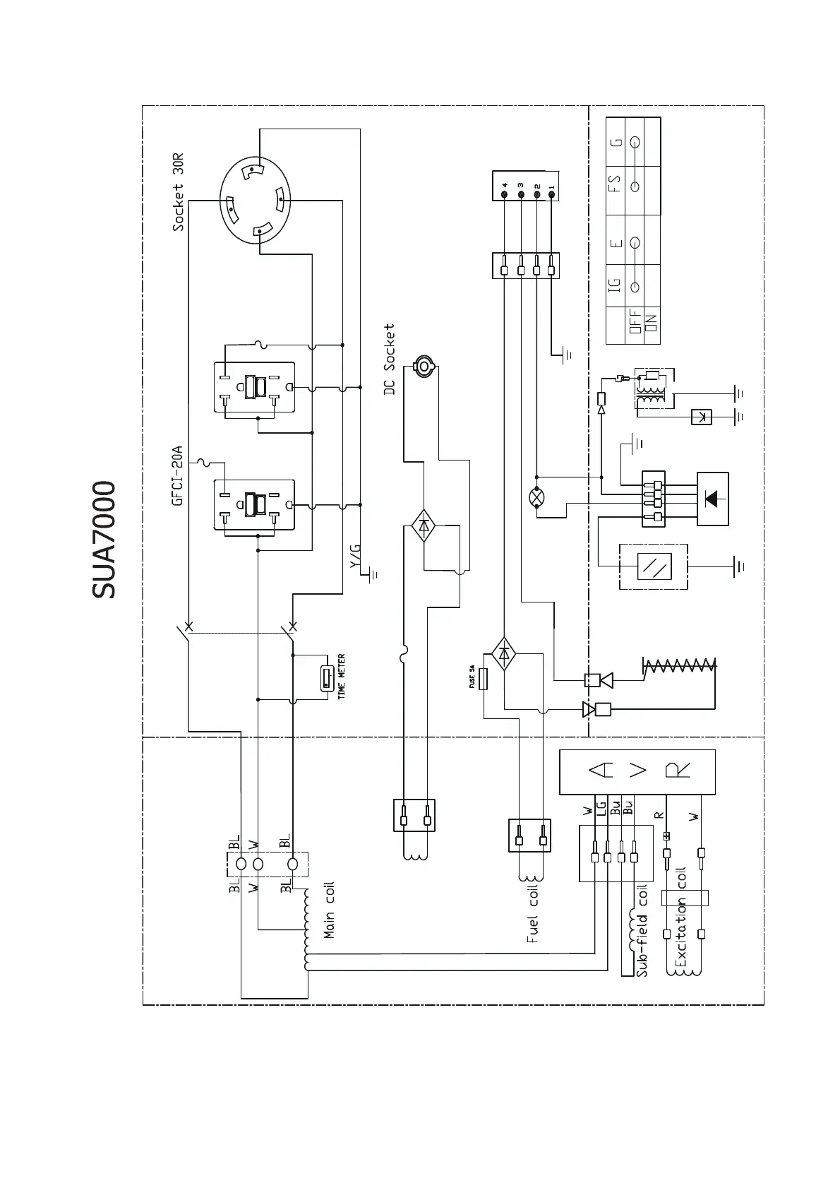
iPower SUA7000 - SUA7000 Electrical Diagram and Components; SUA7000 Electrical Diagram; SUA7000 Diagram Components

iPower SUA7000
30 pages
Print Icon
To Next Page IconTo Next Page
To Next Page IconTo Next Page
To Previous Page IconTo Previous Page
To Previous Page IconTo Previous Page
Loading...
19
Alternator block
Fuel out solenoid
Rectifier
Br
Control panel block
Engine block
Br
Oil sensor
Spark
plug
Ignition
coil




Circuit breaker 25A
0.0
hours
1/10
Oil Alram Lamp
Oil alram
Blue
DC Coil

protector9A
Rectifier
Black-AWG12
White-AWG12
Black-AWG12
Yellow/Green-AWG12
Blue
12V
protector20A
protector20A

Related product manuals