EasyManua.ls Logo

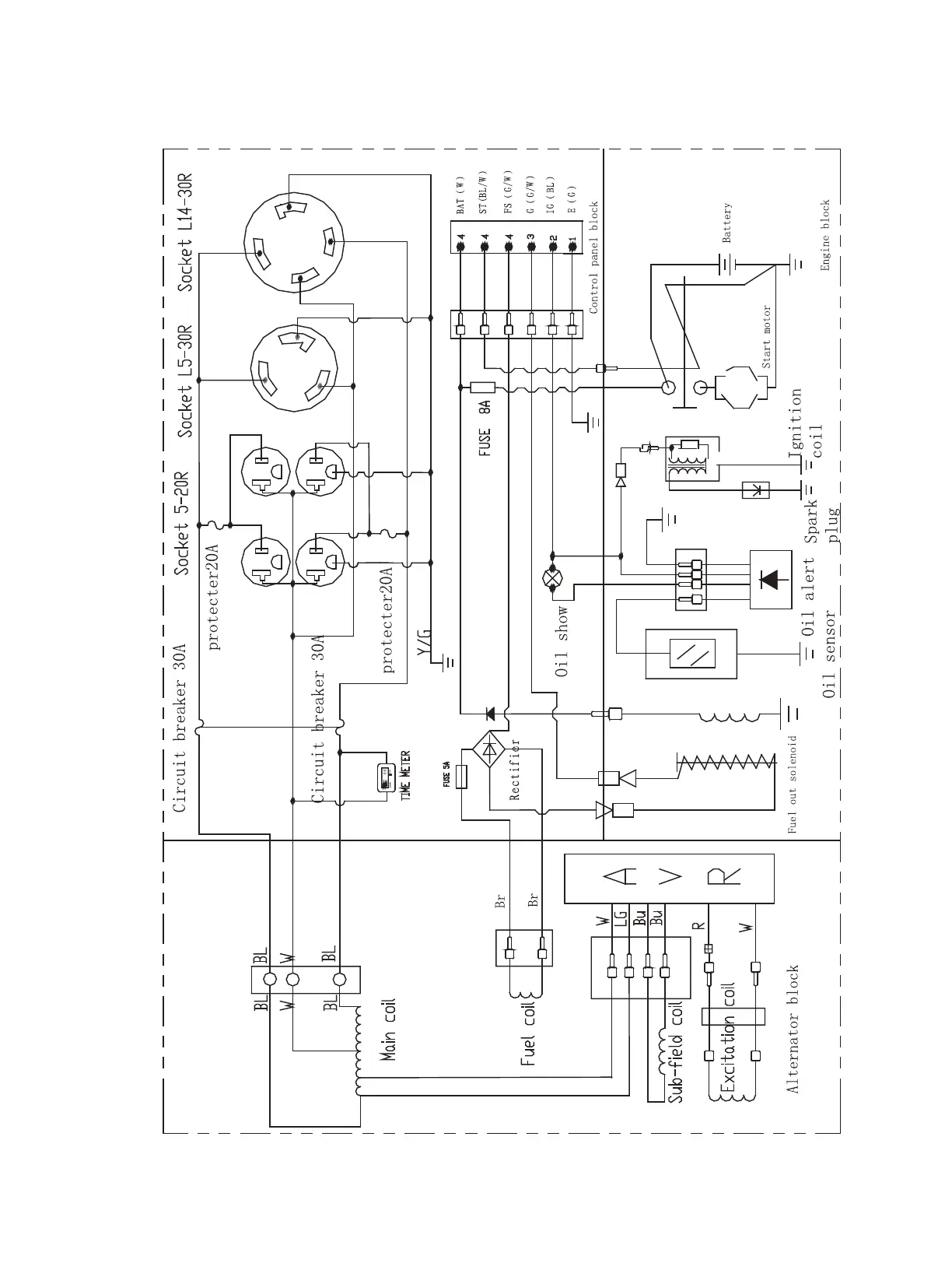
iPower SUA7000 - SUA9000 E Electrical Diagram and Components; SUA9000 E Electrical Diagram; SUA9000 E Diagram Components

iPower SUA7000
30 pages
Print Icon
To Next Page IconTo Next Page
To Next Page IconTo Next Page
To Previous Page IconTo Previous Page
To Previous Page IconTo Previous Page
Loading...
20
SU
A9000E

Related product manuals