EasyManua.ls Logo

iPower SUA7000 - SUA10000 EC Electrical Diagram and Components; SUA10000 EC Electrical Diagram; SUA10000 EC Diagram Components

iPower SUA7000
30 pages
Print Icon
To Next Page IconTo Next Page
To Next Page IconTo Next Page
To Previous Page IconTo Previous Page
To Previous Page IconTo Previous Page
Loading...
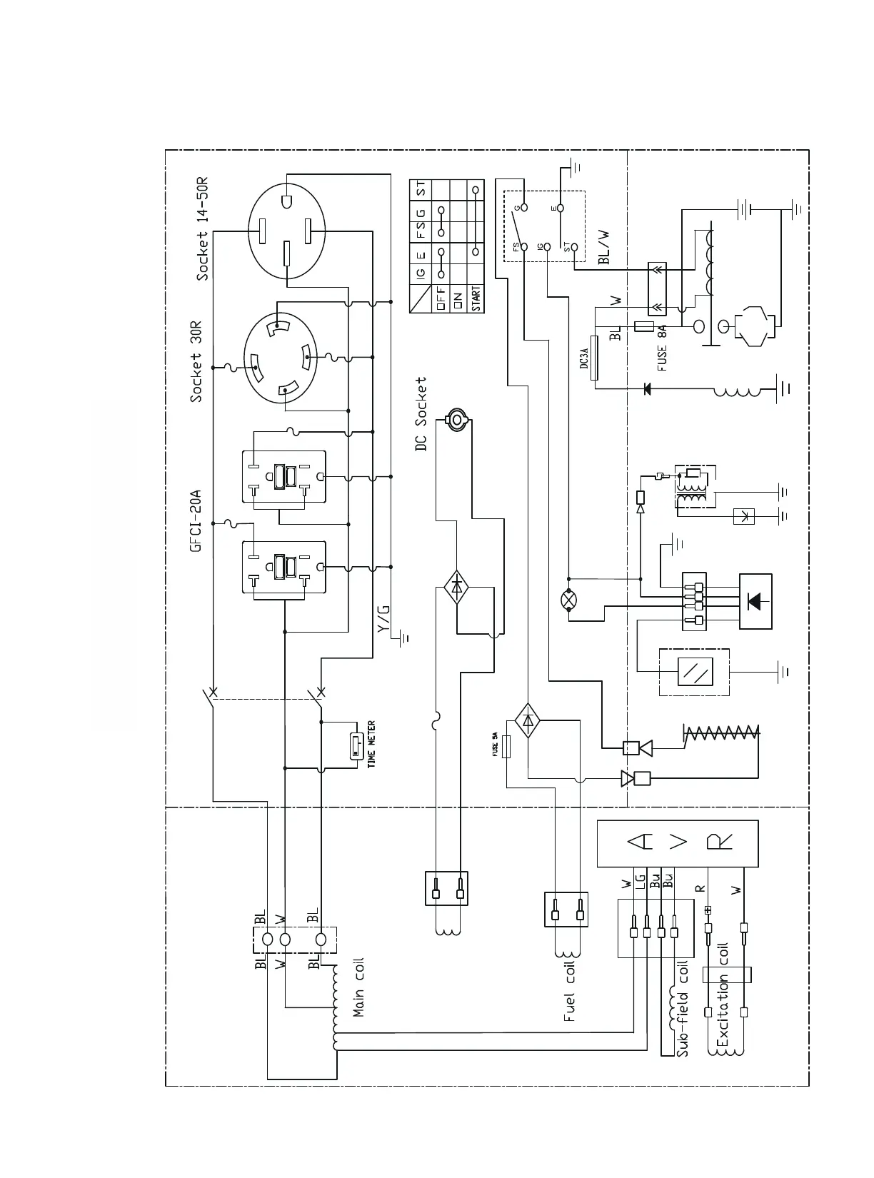
Alternator block
Fuel out solenoid
Rectifier
Br
Control panel block
Engine block
Br
Start motor
Battery
Oil sensor
Spark
plug
Ignition
coil
Circuit breaker 38A
0.0
h
o
urs 1
/
1
0
Oil Alram Lamp
Oil alram
protector30A
Blue
DC Coil

protector9A
Rectifier
Blue
1
2
V
protector20A
DJ7021A-2.8-11
protector20A
protector30A

SUA10000EC

Related product manuals