EasyManua.ls Logo

Irritrol Junior Plus 8 - Instrucciones de Instalación

Irritrol Junior Plus 8
10 pages
Print Icon
To Next Page IconTo Next Page
To Next Page IconTo Next Page
To Previous Page IconTo Previous Page
To Previous Page IconTo Previous Page
Loading...
MANUAL DE
INSTRUCCIONES
PROGRAMADOR DE DOBLE PROGRAMA PARA USO INTERIOR CON ARRANQUE
DE BOMBA/VALVULA MAESTRA Y CONSUMO TEÓRICO PREVISTO DE AGUA
Junior Plus 2/4/6/8
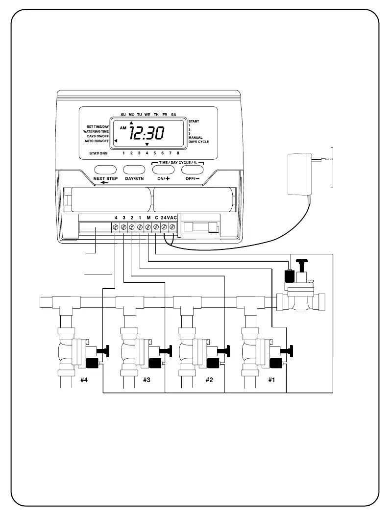
Retire la tapa inferior. Instale la unidad sobre la pared usando una ranura y un
orificio fijo dentro de la ranura para las pilas. Conecte los cables de los
solenoides al bloque de terminales. Conecte un cable de cada solenoide al
terminal rotulado C - COMMON (Común). Conecte el otro cable de cada
solenoide a su número respectivo en el bloque de terminales. Conecte los cables
del transformador al bloque de terminales rotulado 24VAC.
lo después de que haya conectado y chequeado todos los cables, conecte
las 2 pilas alcalinas AA de 1,5 voltios. Ahora se encenderá la pantalla.
Enchufe el transformador al tomacorriente de la pared.
INFORMACIÓN IMPORTANTE
El botón NEXT STEP (Paso siguiente) se usa para avanzar a través de los varios pasos de
programación.
Regreso automático: Si dentro de 3 minutos usted no oprime ningún botón, el programador
regresará automáticamente al modo AUTO (Automático), excepto si el programador se encuentra
en el modo MANUAL.
Avance rápido de los dígitos: Si usted oprime ON/+ o OFF/- continuamente, los dígitos avanzarán
rápidamente.
Reposición de la pantalla a OFF: En las posiciones de WATERING TIME (Tiempo de riego) y
START TIME (Hora de arranque), si usted oprime ON/+ o OFF/- simultáneamente y los mantiene
oprimidos unos cuantos segundos, los dígitos visualizados se reposicionarán a OFF.
Borrado del programa: En el modo AUTO RUN (Funcionamiento automático), oprima ON/+ y
OFF/- simultáneamente hasta que la flecha comience a destellar. Destellará 5 veces para completar
la función de Borrado del programa.
Traslape de las horas de arranque: En caso de producirse el traslape de dos o más horas de
arranque, el programador demorará automáticamente la hora de arranque hasta que se haya
completado el ciclo anterior.
REEMPLAZO DE LAS PILAS
Renueve las 2 pilas alcalinas AA de 1,5 voltios una vez por año. Desenchufe el transformador antes de
cambiar las pilas. Enchufe el transformador solamente después de haber instalado las dos nuevas
pilas. Si las nuevas pilas no se instalan dentro de 15 segundos (antes de que se desvanezca la
información en pantalla), será necesario reprogramar el programador.
INDICACIÓN DE CORTE DE CORRIENTE
Si se inicia el comando de abrir una zona durante un corte de corriente, 24V comenzará a destellar
en pantalla.
El destello se cancelará al iniciarse el próximo comando de encender cualquier estación mientras
haya energía eléctrica presente.
Si se funde el fusible, también destellará 24V en pantalla. Reemplace el fusible por otro de 0,5
amperios.
HOMOLOGACIÓN DE LOS SOLENOIDES
Las válvulas de solenoide están homologadas a un voltaje de 24 V c.a. y a una corriente de irrupción
de 0,35 amperios como máximo. Sólo puede conectarse 1 válvula de solenoide a cada estación.
8 5
INSTRUCCIONES DE INSTALACIÓN
TRANSFORMADOR
Instalar en un
área protegida
Válvula
maestra
24 V c.a.
PILA ALCALINA AA
DE 1,5VOLTIOS
PILA ALCALINA AA
DE 1,5VOLTIOS
FUSIBLE
Irritrol Systems USA
1-909-785-3623 TELEPHONE
1-909-359-1870 FAX
Irritrol Systems Europe s.p.a.
00-39-765-455201 TELEPHONE
00-39-765-455386 FAX
BLOQUE DE
TERMINALES
CABLES DE
SOLENOIDES

Related product manuals