EasyManua.ls Logo

Italkero Echo XC - Esquema Eléctrico; Electrical Scheme

Italkero Echo XC
36 pages
Print Icon
To Next Page IconTo Next Page
To Next Page IconTo Next Page
To Previous Page IconTo Previous Page
To Previous Page IconTo Previous Page
Loading...
IA-200 Rev.0
20.10.2012
-11-
I
A-200 Rev.0
20.10.2012
ES – GB
ES
Radiador mural a gas
Echo XC, XN y EN
Instrucciones de Instalación y Mantenimiento
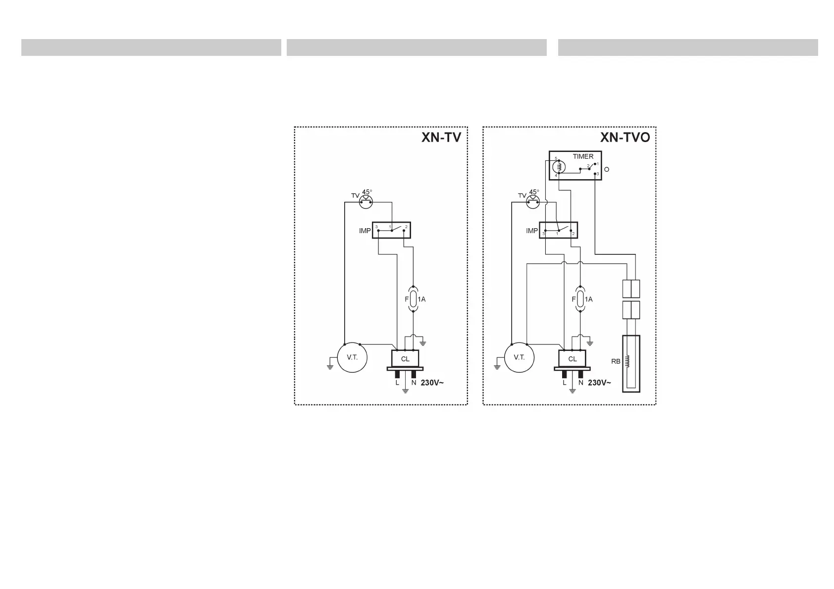
ESQUEMA ELÉCTRICO
Puede recibir soporte técnico en la sucursal/representación que a Ud. le corresponda.
L
a dirección la puede obtener en Internet o a través de la empresa Kromschroeder, S.A.
L’Hospitalet Barcelona.
GB
Wall gas Stove
Echo XC, XN y EN
Instructions of Installation and maintenance
ELECTRICAL SCHEME
If you have any technical questions please contact your local Branch office / agent.
Th
e addresses are available on the internet or from Kromschroeder, S.A.
L’Hospitalet Barcelona.
CL línea de conexión / connection line TV termostato de ventilación / ventilation thermostat
F fusible/fuse IVC ventilador de combustión / combustion fan
Imp Interruptor / switch VT Ventilador tangencial / Tangencial fan
L línea de fase / phase line RB Resistencia del bulbo termostático / bulb thermostat
O temporizador / watch programmer resistance

Other manuals for Italkero Echo XC

Related product manuals