EasyManua.ls Logo

Italkero Focus 40 - Wiring Diagram

Italkero Focus 40
28 pages
Print Icon
To Next Page IconTo Next Page
To Next Page IconTo Next Page
To Previous Page IconTo Previous Page
To Previous Page IconTo Previous Page
Loading...
9
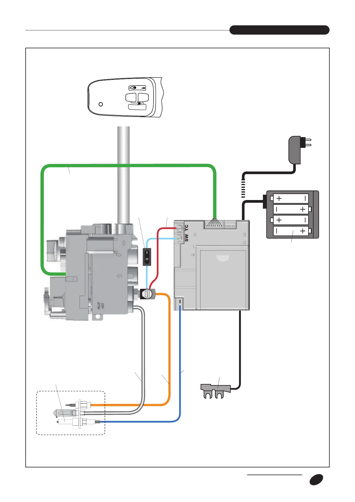
GENERAL
Bruciatore pilota
Pilot Burner
VALVOLA GAS
GAS VALVE
Ricevitore
Receiver
Telecomando
Handset
(standard)
Switch On/Off
Cavo accensione
Power cable
Termocoppia
Thermocouple
Termocoppia
Thermocouple
Tubo gas pilota
Pilot gas pipe
GAS output
Cavo connessione
ricevitore valvola.
Power cable
valve receiver.
Elettrodo accensione
Ignition electrode
uscita GAS
6V DC
1,5V AA
Sensore infrarosso
Infrared sensor
ELECTRICAL SCHEME

Related product manuals