EasyManua.ls Logo

ITC Audio TI-60MT - Block Diagram

ITC Audio TI-60MT
14 pages
Print Icon
To Next Page IconTo Next Page
To Next Page IconTo Next Page
To Previous Page IconTo Previous Page
To Previous Page IconTo Previous Page
Loading...
11
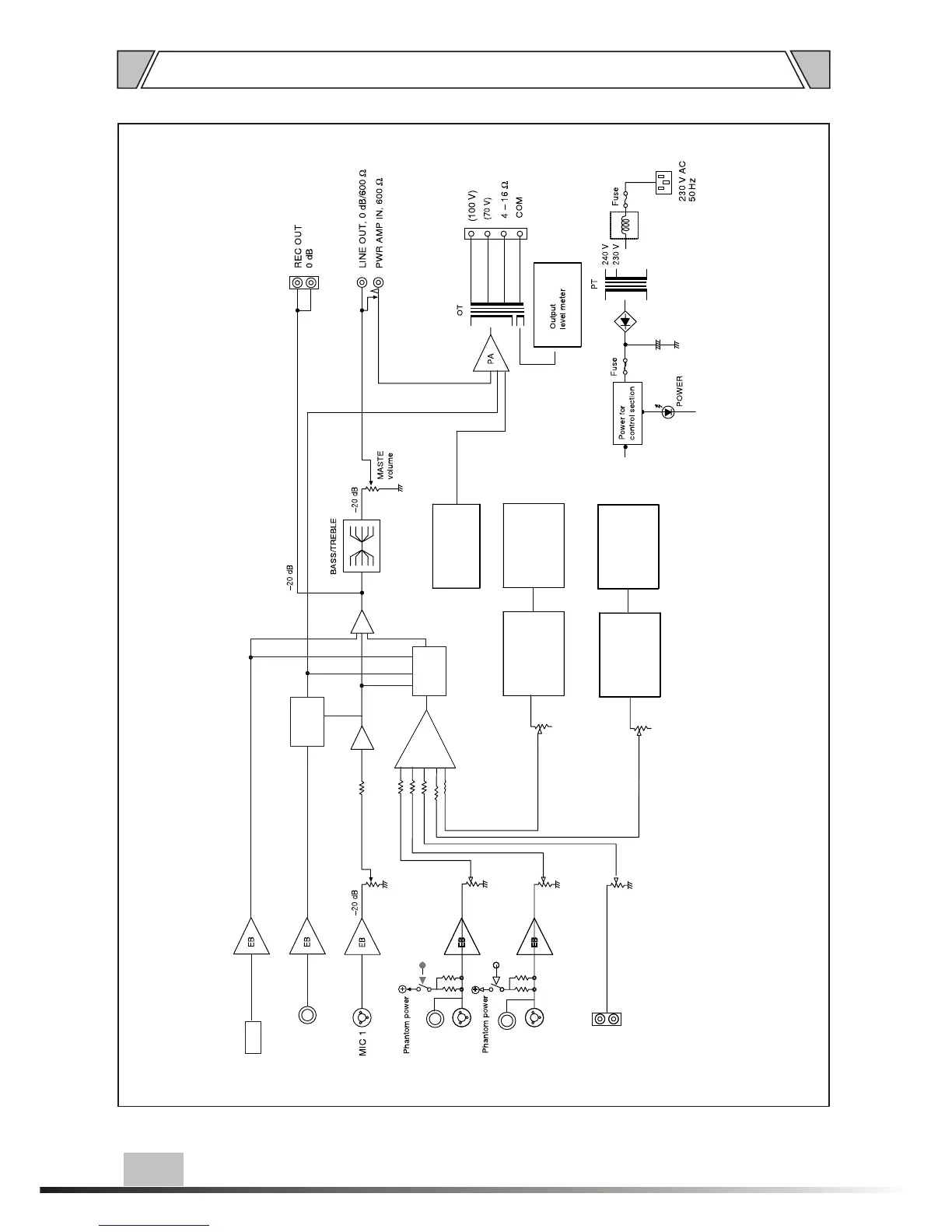
9. BLOCK DIAGRAM
TI-60MT/TI-120MT/TI-240MT
MUTE
MUTE
MIC2
MIC3
LINE1
LINE2
AUX1
EMC
MP3 PLAYING
TUNER
DISPLAY/CONTROL
DISPLAY/CONTROL
PROTECT
CHIME

Related product manuals