EasyManua.ls Logo

Jackson RackStar Series - Pre-Wash System

Jackson RackStar Series
92 pages
Print Icon
To Next Page IconTo Next Page
To Next Page IconTo Next Page
To Previous Page IconTo Previous Page
To Previous Page IconTo Previous Page
Loading...
07610-004-33-05-E
52
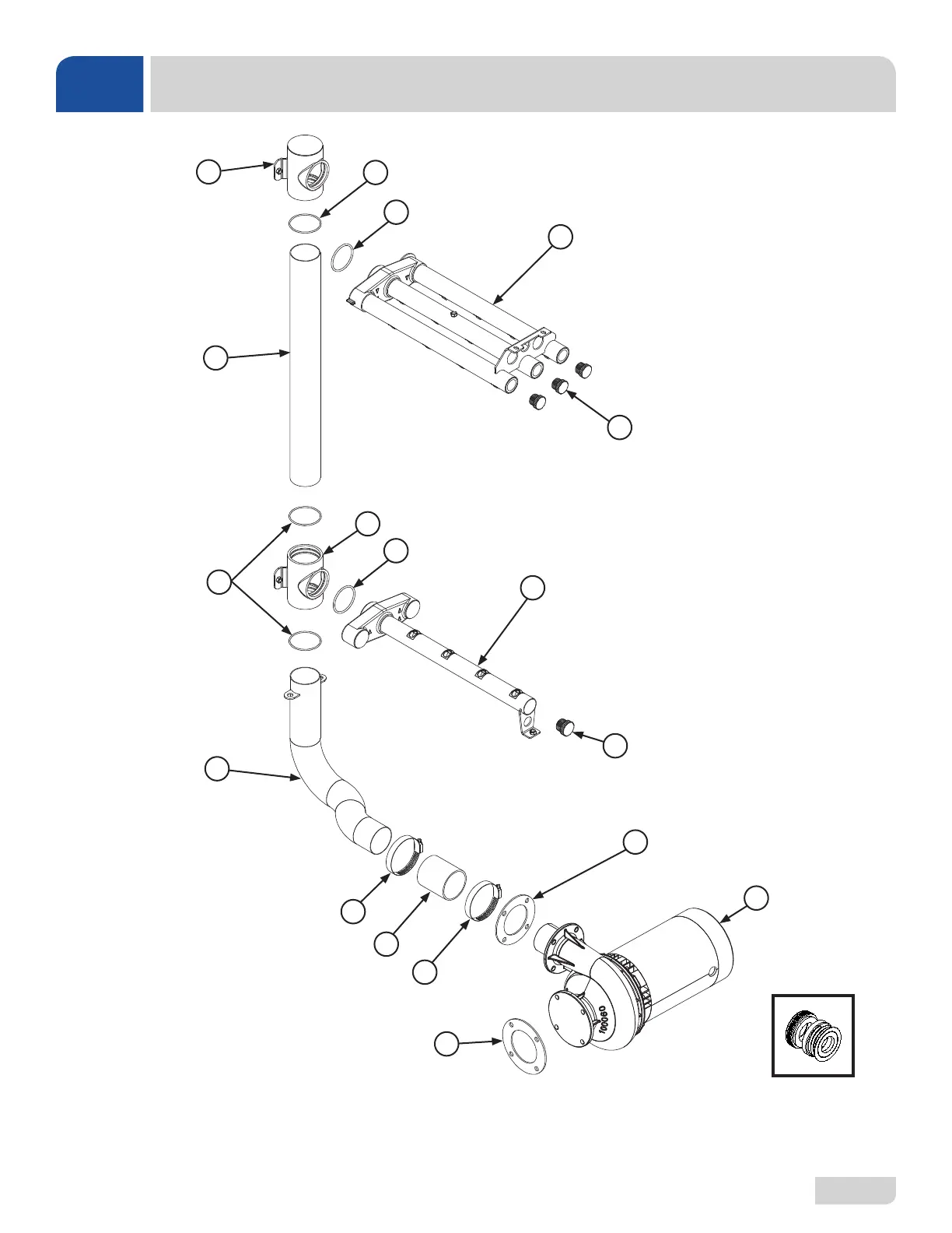
Mechanical Pump Seal
05330-002-34-22
PARTS
PRE-WASH SYSTEM
1
2
3
4
5
6
7
8
9
10
11
12
13
10
5
7
2
8

Table of Contents