EasyManua.ls Logo

Jacobsen AR3 - Page 156

Jacobsen AR3
168 pages
Print Icon
To Next Page IconTo Next Page
To Next Page IconTo Next Page
To Previous Page IconTo Previous Page
To Previous Page IconTo Previous Page
Loading...
da-74
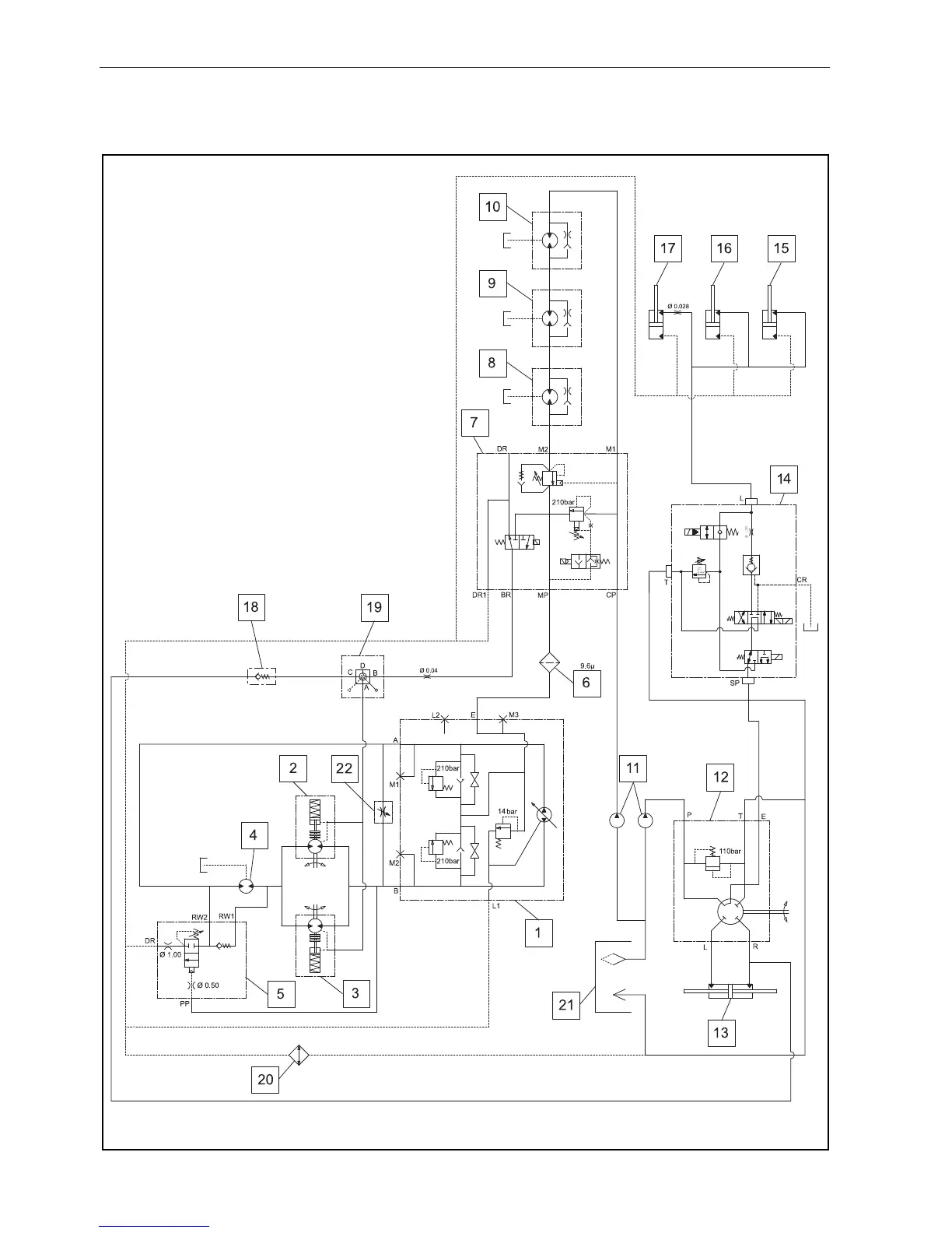
12.1 HYDRAULISK KREDSLØB
12 SKEMATISK OVERSIGT

Table of Contents

Other manuals for Jacobsen AR3

Related product manuals