EasyManua.ls Logo

Jacobsen G-Plex III - Cutting Head

Jacobsen G-Plex III
144 pages
Print Icon
To Next Page IconTo Next Page
To Next Page IconTo Next Page
To Previous Page IconTo Previous Page
To Previous Page IconTo Previous Page
Loading...
Parts-68
JACOBSEN G PLEX III Series: DN & DP
MAINTENANCE AND PARTS MANUAL
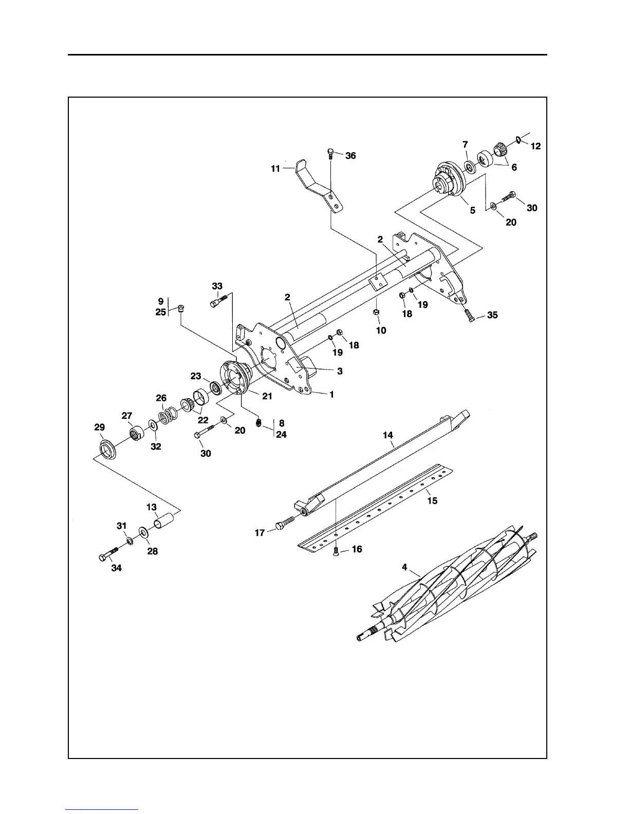
33 CUTTING HEAD

Table of Contents

Other manuals for Jacobsen G-Plex III

Related product manuals