EasyManua.ls Logo

Jacobsen G-Plex III - Gasoline Engine Oil Level; Gasoline Engine Oil Change

Jacobsen G-Plex III
144 pages
Print Icon
To Next Page IconTo Next Page
To Next Page IconTo Next Page
To Previous Page IconTo Previous Page
To Previous Page IconTo Previous Page
Loading...
GB-37
JACOBSEN G-PLEX III Series: DN & DP
MAINTENANCE AND PARTS MANUAL
GB
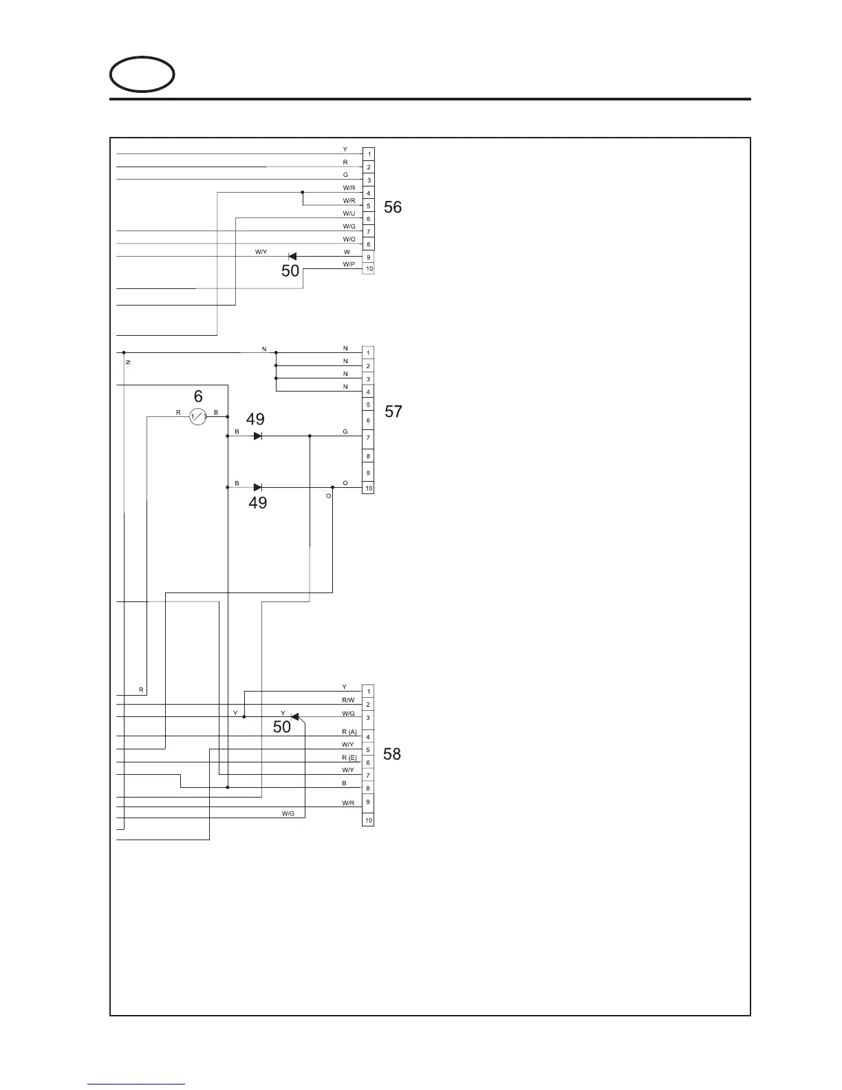
CABLE COLOUR CODE
R Red
G Green
O Orange
S Grey
B Black
W White
K Pink
P Violet
Y Yellow
U Blue
N Brown
BG Black Green
BO Black Orange
NU Brown Blue
WG White Green
WY White Yellow
1 Fuse 20Amp
3 Starter Relay
4 Ignition Relay
5 Hour Meter
6 Volt Meter
9 Water Temperature Gauge
10 Water Temperature Lamp
11 Water Temperature Buzzer
12 Preheat Switch
13 Preheat Timer
14 Preheat Lamp
15 Shut Down Timer
48 Oil Pressure Light
49 Diode Array 2
50 Diode Array 1
52 Reel Enable Switch
54 Headlight Switch
55 Key Switch
56 Instrument Connector 1
57 Instrument Connector 2
58 Instrument Connector 3
59 Headlight Switch Light
60 Reel Enable Switch Light
62 Lift / Lower Module
64 Water Temperature Gauge Relay
65 Raise Relay
66 Lower Relay
67 Diode
68 Diode
69 Diode
70 Diode
71 Fuse 30Amp

Table of Contents

Other manuals for Jacobsen G-Plex III

Related product manuals