EasyManua.ls Logo

Jancy Engineering 17982 - Wiring Diagram

Default Icon
16 pages
Print Icon
To Next Page IconTo Next Page
To Next Page IconTo Next Page
To Previous Page IconTo Previous Page
To Previous Page IconTo Previous Page
Loading...
15
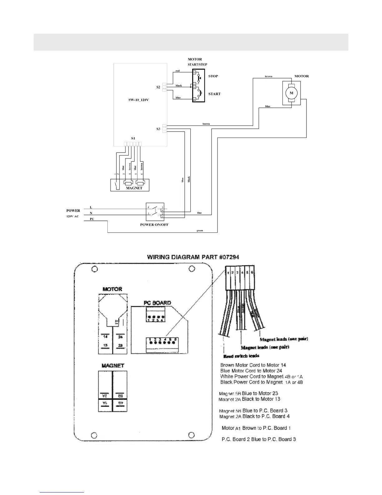
wiring diagrams
Rev. C

Related product manuals