EasyManua.ls Logo

JASON Hydrotherapy MicroSilk - Page 19

Default Icon
25 pages
Print Icon
To Next Page IconTo Next Page
To Next Page IconTo Next Page
To Previous Page IconTo Previous Page
To Previous Page IconTo Previous Page
Loading...
Jason International, Inc. • 501.771.4477 Page 19 of 25 Customer Service : 800.255.5766
Copyright © 2018 Jason International, Inc.
INSTALLATION INSTRUCTIONS (cont.)
IMC-296
NcmiPinc
MloiDrooidvlro
UrFieldcvie
120a/60I&20B
HGDLSsrvidvieTiswldi
Light
ASW
Display
ICL
Light
Water
Detect
Power
LED
Config
Switch
Mrce#2
Mrce#1
GincmiPinc
MloiDrooidvlrot
PrvVtie
Keypad
[IDU-264]
KeypadCable
[CBL-372]
NcmiPinc
MloiDrooidvlro
Cmrzis
#1
#2
JSON
IMC-296
NcmiPinc
MloiDrooidvlro
UrEieldcvie
120[/60I,20B
HGDLSsrvidvieTiswldi
Light
ASW
Display
ICL
Light
Water
Detect
Power
LED
Config
Switch
Mrce#2
MFEt
]LDM-2A9a
GincmiPinc
MloiDrooidvlrot
PrvVtie
LEDCable
[CBL-366]
LEDCable
[CBL-366]
KeypadCable
[CBL-372]
Mrce#1
NcmiPinc
MloiDrooidvlro
Cmrzis
#1
#2
Keypad
[IDU-264]
JSON
Ozone
/DͲϮϭϯ
dŽĞĚŝĐĂƚĞĚ
ϭϮϬsϲϬ,njϮϬ
'&/WƌŽƚĞĐƚĞĚ^ĞƌǀŝĐĞ
DĂůĞEĞŵĂ
>ŝŶĞŽŶŶĞĐƚŝŽŶ
<ĞLJƉĂĚ
΀/hͲϮϲϰͲϬϭͲϬϭ΁
>Ɛ
΀/>ͲϮϵϳ΁
>ĂďůĞ
΀>Ͳϯϲϲ΁
>ĂďůĞ
΀>Ͳϯϲϲ΁
>t>
dĞŵƉ
^ĞŶƐŽƌ
΀/dtͲϮϬϵ΁
DĂůĞEĞŵĂ
>ŝŶĞŽŶŶĞĐƚŝŽŶ
ůŽǁĞƌ
>
ĂĚĂƉƚĞƌ
΀/>ͲϯϬϭ΁
KnjŽŶĞ
<ĞLJƉĂĚĂďůĞ
΀>Ͳϭϲϴ΁
TRANSDUCER
BLACK
RED
+
-
BLACK
-
+
RED
BLUETOOTH
AMPLIFIER
OptionalBluetoothSoundImmersion
Transducersinstalledonbath.Bluetoothampsupplied
andfieldinstalled.
120V/60Hz15A
ToDedicated
GFCIProtectedService
MaleNema
XFMRPlug
Standard Edition
Premier Edition
Signature Edition
+Bluetooth Sound Immersion included
Additional Options Available:
Bluetooth Sound Immersion:
(Included on Signature Edition)
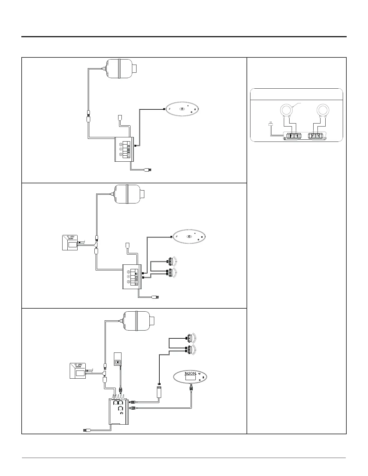
AIRMASSEUR® [AM] SYSTEM
Notes:
A single dedicated 120v/60hz 20A GFCI
protected service is required for all
bath equipment.
Additional options may require mul-
tiple outlets be installed on the single
service.