EasyManua.ls Logo

JBL CINEMA PROPACK 600 - Page 122

JBL CINEMA PROPACK 600
125 pages
Print Icon
To Next Page IconTo Next Page
To Next Page IconTo Next Page
To Previous Page IconTo Previous Page
To Previous Page IconTo Previous Page
Loading...
122
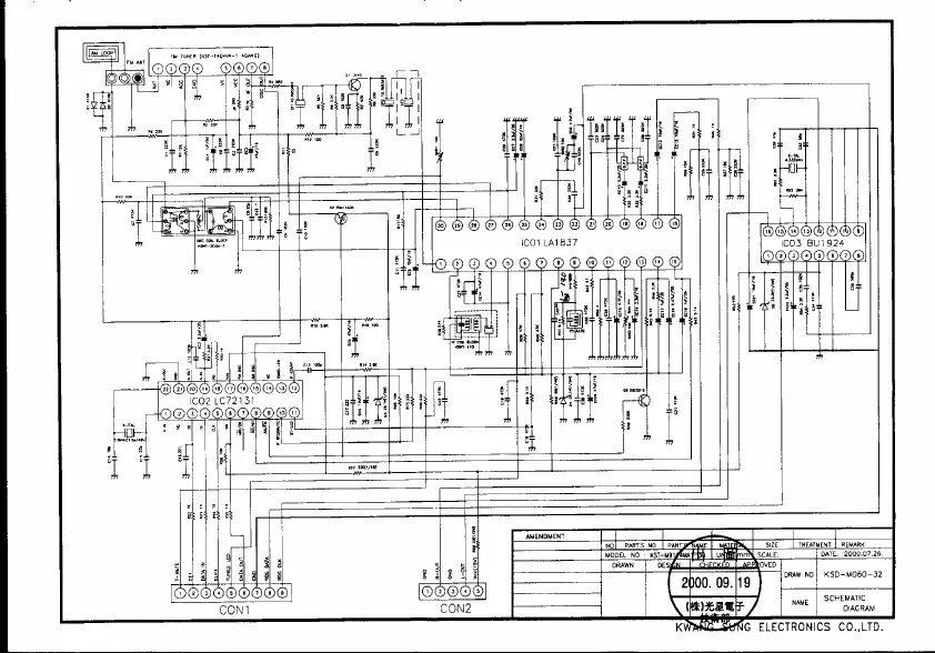
DCR600 Tuner PCB is shown as reference only as it is only available as complete PCB

Related product manuals