EasyManua.ls Logo

JBL CINEMA PROPACK 600 - Installation Diagrams

JBL CINEMA PROPACK 600
125 pages
Print Icon
To Next Page IconTo Next Page
To Next Page IconTo Next Page
To Previous Page IconTo Previous Page
To Previous Page IconTo Previous Page
Loading...
LFE
GREEN: ON
RED: STAND-BY
SUB135S
CAUTION
RISK OF ELECTRIC SHOCK
DO NOT OPEN
"WARNING: TO REDUCE THE RISK OF FIRE OR ELECTRIC SHOCK,
DO NOT EXPOSE THIS APPLIANCE TO RAIN OR MOISTURE."
"AVERTISSEMENT:
POUR PR VENIR LES RISQUES D’INCENDIE OU
DE CHOC LECTRIQUE, VITER D’EXPOSER CET APPAREIL A LA
PLUIE OU A L’HUMIDIT . "
"WARNING: FOR CONTINUED
PROTECTION AGAINST RISK
OR FIRE, REPLACE ONLY WITH
SAME TYPE 2.5A, 250 VOLT
"AVERTISSEMENT:
UTILISEZ UN
FUSIBLE DE RECHANGE DE MEME
TYPE 2.5A, 250V"
NRTL/C
CSA 22-2 No.1
UL 1492
AVIS: RISQUE DE CHOC ELECTRIQUE-NE PAS OUVRIR
POWER
FUSE
2.5A/250V
TYPE T
AC 120V
~
60Hz
200 Watts
This area is designed to become quite warm
during normal operation
JBL, Incorporated
L
R
AM
FM
75
GND
IN
IN
IN
1
2
IN
OUT
TAPE
VID 3
IN
(DVD)
OUT
L
R
VIDEO S-VIDEO
L
R
VID 2
IN
VID 3
IN
VID 2
DIGITAL IN
OPTICAL
COAXIAL
RIGHT LEFT
LEFTRIGHT
SURR. SPKRS (8)
FRONT SPKRS (8)
CENTER
SPKR (8)
DIGITAL OUT
MON.
OUT
OPT
VID 1
IN
OUT
VID 1
LFE/
SUBWOOFER
CD
IN
DVD
ANTENNA
Manufactured under license from Digital Theater Systems, Inc. US Pat.
No 5,451,942 and other world-wide patents issued and pending. "DTS",
"DTS Digital Surround", are trademarks of Digital Theater Systems, Inc.
Copyright 1996 Digital Theater Systems, Inc. All Rights Reserved.
Manufactured under license from Dolby Laboratories.
"Dolby", "Pro Logic" and the double-D symbols are trademarks
of Dolby Laboratories. Confidential Unpublished Works.
' 1992-1997 Dolby Laboratories, Inc. All rights reserved.
U.S. Patent Nos.
4,893,342, 4,910,779, 4,975,954
5,034,983, 5,136,651, and 5,333,200
Cooper Bauck Transaural Stereo
This device complies with part 15 of the FCC rules. Operation is
subject to the following two conditions: (1) This device may not
cause harmful interference, and (2) This device must accept any
interference received, including interference that may cause
undesired operation.
AC INPUT
~120V/60Hz A
CAUTION
RISK OF ELECTRIC SHOCK
DO NOT OPEN
WARNING: TO REDUCE THE RISK OF FIRE OR ELECTRIC SHOCK,
DO NOT EXPOSE THIS APPLIANCE TO RAIN OR MOISTURE.
AVERTISSEMENT:
POUR PRÉVENIR LES RISQUES D'INCENDIE
OU DE CHOC ÉLECTRIQUE, ÉVITER D'EXPOSER CET APPAREIL
A LA PLUIE OU A L'HUMIDITÉ.
AVIS : RISQUE DE CHOC
ÉLECTRIQUE-NE PAS OUVRIR
C
US
U
L
®
LISTED
E191351
40KK
AUDIO EQUIPMENT
AC OUTLETS
~120V/60Hz
SERIAL NO.
UNSWITCHED/100W, 1A MAX
SWITCHED/50W, 0.5A MAX
MODEL NO. DCR 600
NORTHRIDGE
CALIFORNIA, USA
Manufactured under license from Dolby Laboratories.
"Dolby", "Pro Logic" and the double-D symbols are trademarks
of Dolby Laboratories. Confidential Unpublished Works.
' 1992-1997 Dolby Laboratories, Inc. All rights reserved.
This device complies with part 15 of the FCC rules. Operation is
subject to the following two conditions; (1) This device may not
cause harmful interference, and (2) This device must accept any
interference received, including interference that may cause
undesired operation.
Apparatus Claims of U.S. Patent Nos. 4,631,603,
4,577,216, 4,819,098, and 4,907,093 licensed for
limited viewing uses only.
"DTS" and "DTS Digital Out" are trademarks
of Digital Theater Systems, Inc.
AC INPUT
~120V/60Hz 25W
WARNING: TO REDUCE THE RISK OF FIRE OR ELECTRIC SHOCK,
DO NOT EXPOSE THIS APPLIANCE TO RAIN OR MOISTURE.
AVERTISSEMENT:
POUR PRÉVENIR LES RISQUES D'INCENDIE
OU DE CHOC ÉLECTRIQUE, ÉVITER D'EXPOSER CET APPAREIL
A LA PLUIE OU A L'HUMIDITÉ.
CAUTION
RISK OF ELECTRIC SHOCK
DO NOT OPEN
AVIS : RISQUE DE CHOC
ÉLECTRIQUE–NE PAS OUVRIR
C
US
U
L
®
LISTED
E206909
7H57
AUDIO/VIDEO
EQUIPMENT
MODEL NO. DVD 600
NORTHRIDGE
CALIFORNIA, USA
CERTIFIFICATION - THIS PRODUCT COMPLIES WITH DHHS
RULES 21 CFR, SUBCHAPTER J, PART
1040 AT DATE OF MANUFACT
URE
DIGITAL
OUT
VIDEO OUT
COMPONENT
VIDEO OUT
COAXIAL
VIDEO IN
AUDIO IN
L
R
AUDIO OUT
L
R
VIDEO OUT
S-VIDEO IN
S-VIDEO OUT
VIDEO
SERIAL NO.
Pr
Pb
Y
S-VIDEO
CLASS 1
LASER PRODUCT
1
COMPONENT
VIDEO IN
Pr
Pb
Y
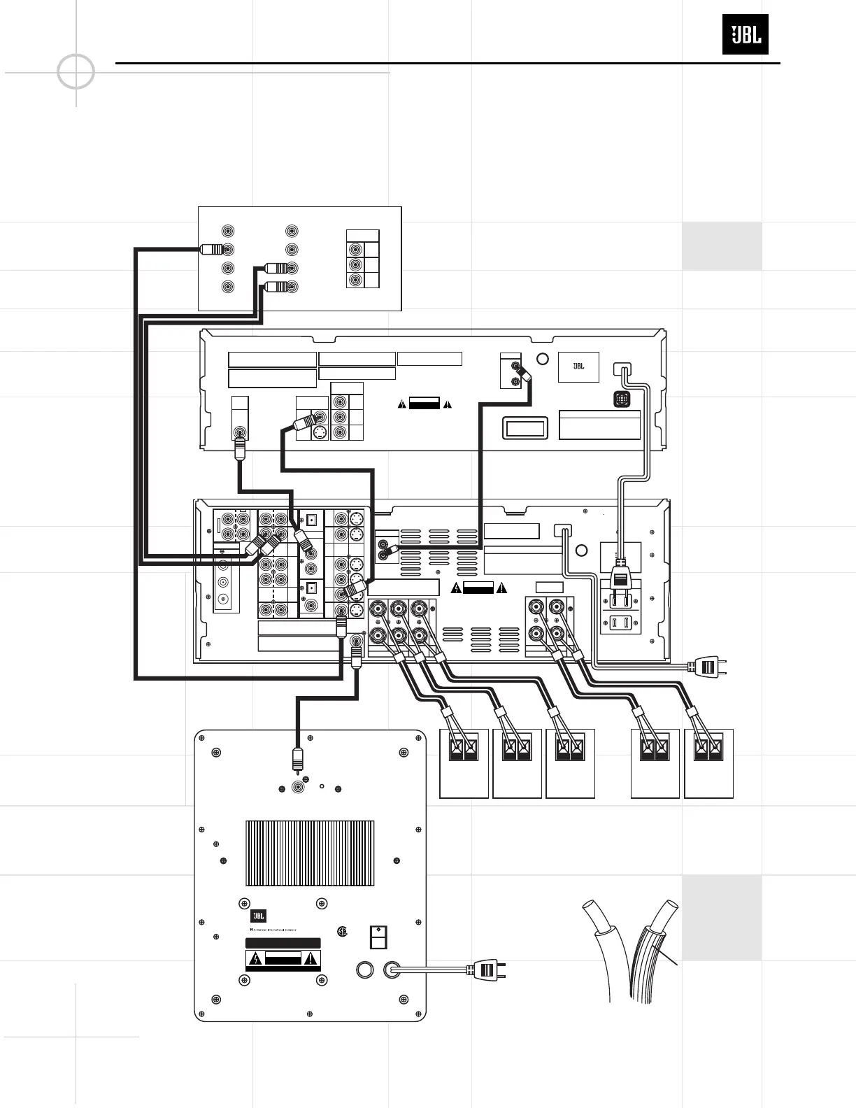
BASIC INSTALLATION: Your TV must at a minimum have a composite video input
(this connector usually has a yellow-colored core), and Left (usually has a
white-colored core) and Right (red-colored core) Stereo audio preamp-level
RCA outputs. All wires for this hookup are included.
+ – + – + + – +
RIGHT FRONT
SPEAKER
LEFT FRONT
SPEAKER
RIGHT SURROUND
SPEAKER
LEFT SURROUND
SPEAKER
CENTER
SPEAKER
SCS135S
DCR600
DVD600
TV
CONNECT TO
AC OUTLET
CONNECT TO
AC OUTLET
NOTES:
1. CONNECT “RIDGED” WIRE TO (+) RED
ON DCR600 AND SPEAKERS.
2. WIRE COLOR CODES ARE FOR EASE OF CONNECTION.
THE SPEAKER WIRES CAN BE INTERCHANGED IF NECESSARY.
(—) (+)
Ridges
Yellow
Yellow
White
Red
Black
Orange
Red White Green Yellow Blue
Brown
REMOTE
IN
OUT
REMOTE
IN
OUT
Quick Installation Diagrams
DCR600
5

Related product manuals