EasyManua.ls Logo

JBL K2 S9800 - Schematic K2 S9800

JBL K2 S9800
6 pages
Print Icon
To Next Page IconTo Next Page
To Next Page IconTo Next Page
To Previous Page IconTo Previous Page
To Previous Page IconTo Previous Page
Loading...
L.F.
+
U.H.F.H.F./U.H.F.
INPUT
L.F.
INPUT
+
H.F.
.205
.110
–IN
+IN
–IN
+IN
R1
150 ohms
5W
R5A
60
ohms
5W
RED ORN
ORN/BLK
BLK
R5B
60
ohms
5W
R6A
60
ohms
5W
R6B
60 ohms
5W
R8
9.1 ohms
5W
R9
6.8 ohms
5W
R10
12 ohms
5W
R1
33 ohms
5W
R1
1.5 ohms
1W
R7
1.8 ohms
5W
R2
33 ohms
5W
R3
130 ohms
1W
R4
62 ohms
1W
BI-AMP
S1C
BI-AMP
S4A
HF LEVEL
2
1
3
NORMAL
C3CC3A
C3B
C3A C4AC2AC1A
C3B C4BC2BC1B
C5BC5A
C6BC6A
C7BC7A
C8BC8A
C9BC9A
C10BC10A
C11BC11A
C12BC12A
YEL
YEL/BLK
C1A C2A
C1B C2B
9V
9V
9V
9V
9V
R102
2.2 Mohms
1/4W
R103
2.2 Mohms
1/4W
9V
R104
2.2 Mohms
1/4W
9V
R105
2.2 Mohms
1/4W
9V
R106
2.2 Mohms
1/4W
R101
2.2 Mohms
1/4W
R101
2.2 Mohms
1/4W
R102
2.2 Mohms
1/4W
L2
.2mH
L6
.6mH
L1
.25mH
L1
.03mH
L2
.15mH
L4
1.0mH
L3
2.0mH
L5
1.0mH
R101
2.2 Mohms
1/4W
9V
HM L
S2
LF DAMPING
L1
4.5mH
NORMAL
NORMAL
BI-AMP
S1A, B
BI-AMP
RED
GRN
GRN/BLK
BLK
BI-AMP
L2
1.0mH
R2
100 ohms
5W
R3
51 ohms
10W
C4CC4A
C4B
C1CC1A
C1B
C2CC2A
C2B
RED
BLK
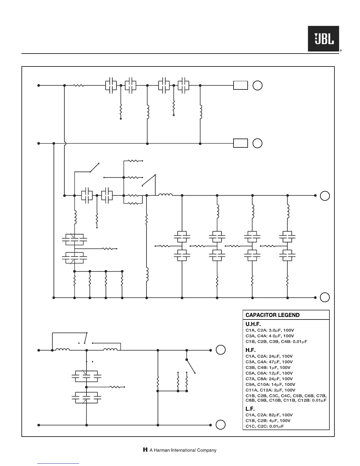
SCHEMATIC K2 S9800
K2 S9800/K2 S9800SE
Rev 1 5/07
Harman Consumer Group, Inc., 250 Crossways Park Drive, Woodbury, New York 11797
Technical Manual
K2 S9800/K2 S9800SE

Related product manuals