EasyManua.ls Logo

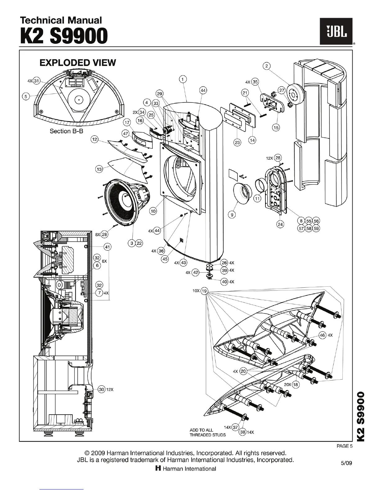
JBL K2 S9900 - Parts Identification; Exploded View Diagram

JBL K2 S9900
5 pages
Print Icon
To Previous Page IconTo Previous Page
To Previous Page IconTo Previous Page
Loading...

Related product manuals