EasyManua.ls Logo

JBL Media 3000 - Page 7

JBL Media 3000
16 pages
Print Icon
To Next Page IconTo Next Page
To Next Page IconTo Next Page
To Previous Page IconTo Previous Page
To Previous Page IconTo Previous Page
Loading...
-7-
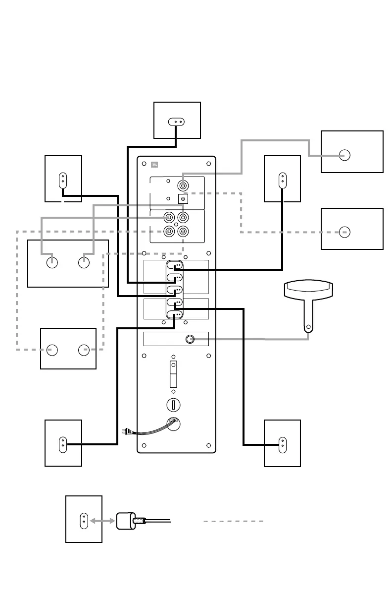
two. Speaker, Source, and Remote-Sensor Connectors
(rear panel of subwoofer)
Speaker and Amplifier Connection
Dashed lines indicate that
wire is not included
Extension cables, XC300, available in
10-foot lengths from your JBL dealer.
Left Front
TV
Audio Output
OPTICAL
Right Left
Center
Right Front
Remote Sensor
COAXIAL
TV
AUX
COAXIAL
OPTICAL
Right Surround
Left Surround
FRONT
SPEAKERS
SURROUND
SPEAKERS
RIGHT
CENTER
LEFT
RIGHT
LEFT
AC POWER
ON / STANDBY
OFF
REMOTE SENSOR
INPUT
RIGHT
AUX
(Additional Audio Source)
Audio Output
Right Left
ANALOG
INPUTS
DIGITAL
INPUTS
Digital Source A
computer/DVD
Digital Source B
computer/DVD
LEFT
Media 3000

Related product manuals