EasyManua.ls Logo

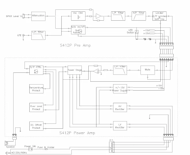
JBL STUDIO Series - Block Diagram

JBL STUDIO Series
23 pages
Print Icon
To Next Page IconTo Next Page
To Next Page IconTo Next Page
To Previous Page IconTo Previous Page
To Previous Page IconTo Previous Page
Loading...
12
12

Related product manuals