EasyManua.ls Logo

jcb 214e - Sideshift - Hydraclamp Clearance Setting

jcb 214e
890 pages
Print Icon
To Next Page IconTo Next Page
To Next Page IconTo Next Page
To Previous Page IconTo Previous Page
To Previous Page IconTo Previous Page
Loading...
26 - 1
Section B Body & Framework
9803/3280
Section B
26 - 1
Issue 1
Service Procedures
Sideshift
- Hydraclamp Clearance Setting
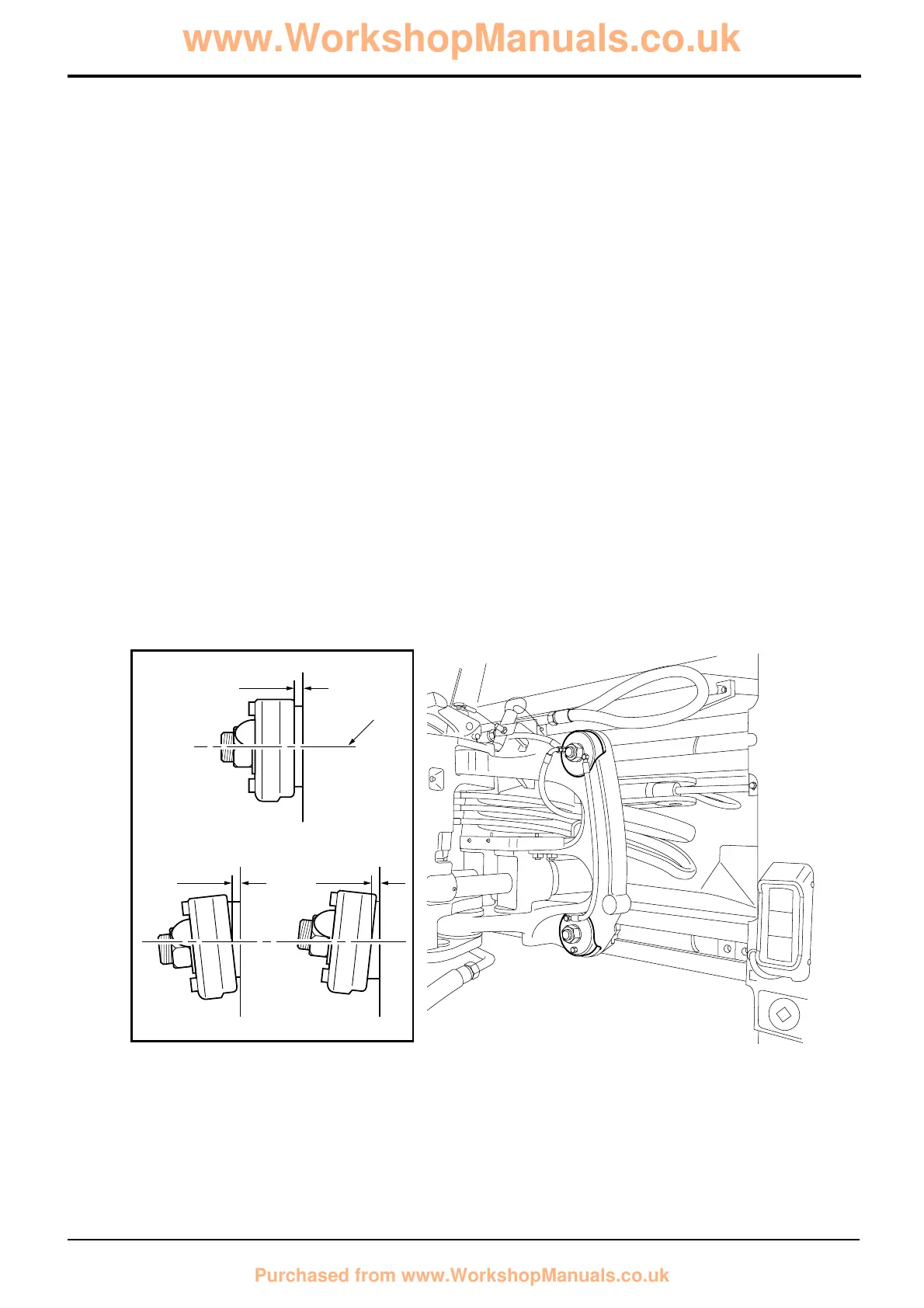
If the kingpost clearance D is not set correctly leaks may
occur or the seal could become dislodged, use the
procedure below to set the clearance.
1 Park the machine on firm level ground, engage the
parking brake and set the transmission to neutral.
Lower the loader arms to the ground.
2 Select the carriage clamps to lock.
3 Measure all four clamps clearance, all measurements
should be taken on the centre line A to allow for
twisting of the clamp pot as shown at B and C:
Manual 3 - 5 mm (0.11 - 0.19 in)
Power Sideshift 3 - 5 mm (0.11 - 0.19 in)
4 Release the clamps and tighten/loosen nut 1 as
required, recheck measurement. When correct bend
tab to lock nut.
A
B
C
D
D
D
338630
www.WorkshopManuals.co.uk
Purchased from www.WorkshopManuals.co.uk

Table of Contents

Related product manuals