EasyManua.ls Logo

jcb 214e - Synchro Shuttle Gearbox Diagram

jcb 214e
890 pages
Print Icon
To Next Page IconTo Next Page
To Next Page IconTo Next Page
To Previous Page IconTo Previous Page
To Previous Page IconTo Previous Page
Loading...
55 - 1
Section F Transmission
9803/3280
Section F
55 - 1
Issue 1
Service Procedures
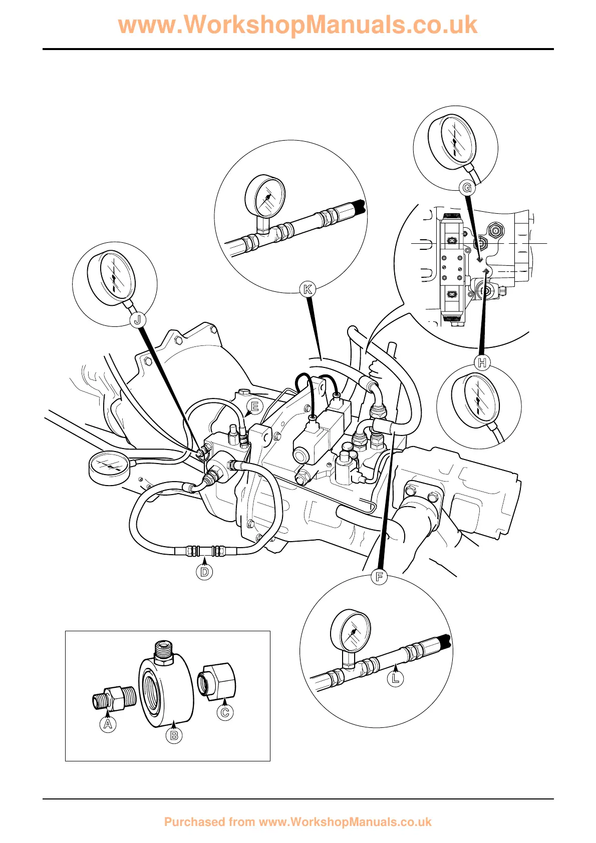
A396910
A
B
C
S266880
E
L
D
K
J
G
H
F
www.WorkshopManuals.co.uk
Purchased from www.WorkshopManuals.co.uk

Table of Contents

Related product manuals