EasyManua.ls Logo

jcb 214e - Hose Burst Protection Valve - Loader Operation

jcb 214e
890 pages
Print Icon
To Next Page IconTo Next Page
To Next Page IconTo Next Page
To Previous Page IconTo Previous Page
To Previous Page IconTo Previous Page
Loading...
11 - 5
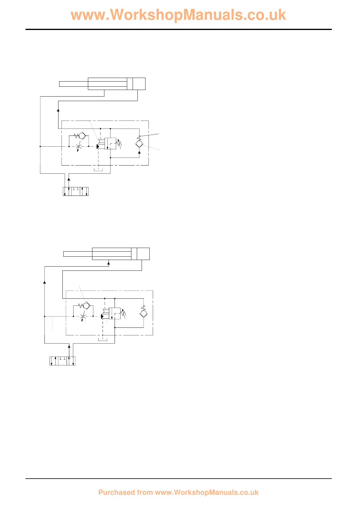
Hose Burst Protection Valve
Loader Operation
The small letter annotations V2, C2, P, T and E are the same
as the port markings found on the HBPV.
Operation 1 - Load Raise
When lift is selected, oil from the loader valve block 9 is fed
to port V2 on the HBPV, the oil opens check valve sleeve A
against spring B and passes through internal galleries into
the (raise) side of the ram via port C2.
Oil from the lower side of the ram returns to tank via port P
and the loader valve block.
Operation 2 - Load Lower
Oil from the loader valve block 9 is fed directly to the (lower)
side of the ram. A pilot line C from the service line is
connected to the HBPV at port P.
Oil enters the HBPV at port P and passes through drilling D,
down threads F and acts on the end face of piston G. The
pressure is sufficient to move piston G to the right, thus
moving plunger J off its seat against spring H. With the
plunger off its seat, oil from the opposite side of the ram
enters the HBPV at port C2, passes through the HBPV and
returns to tank via port V2 and the valve block.
A drilled hole N through the centre of plunger J connects
chamber Q to atmosphere T, this prevents the pressure in
chamber Q from rising to such a point that it would prevent
any movement of plunger J.
Threads F and the one-way check valve ball L act as
restrictors to 'dampen' any adverse effects of operating the
control levers erratically.
Section E
Hydraulics
9803/3280
Section E
11 - 5
Issue 1
Circuit Descriptions
Component Key:
A Check Valve Sleeve
B Spring
C Pilot Line
D Drilling
F Thread
G Piston
H Spring
J Plunger
L Ball
N Orifice
Q Chamber
9 Loader Valve Block
22
E
C2
P
T
V2
9
A
B
A323090
22
J
C2
P
T
V2
9
G
C
D
H
L
A323091
www.WorkshopManuals.co.uk
Purchased from www.WorkshopManuals.co.uk

Table of Contents

Related product manuals