EasyManua.ls Logo

JCM EBA-30-SD3 - Page 19

JCM EBA-30-SD3
104 pages
Print Icon
To Next Page IconTo Next Page
To Next Page IconTo Next Page
To Previous Page IconTo Previous Page
To Previous Page IconTo Previous Page
Loading...
CHAPTER 2 Operations and Maintenance
2 - 5
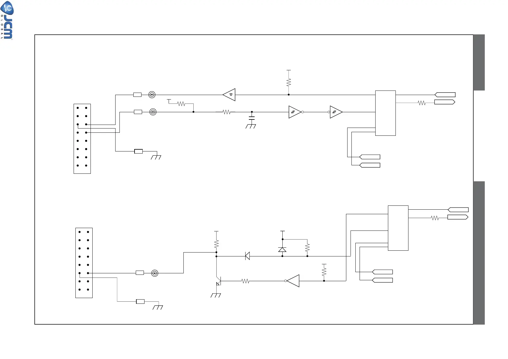
3-2 External Connection Circuit (EBA-32/33)
3-2-1 ID-003 Interface Circuit
3-2-2 ID-0E3 (ccTalk) Interface Circuit
5
6
7
TXD
CN2
SG
RXD
SG
XG4C-1634
BLM18AG471SN1D
74LS07DBR
74VHC14 74VHC14
BLM18AG471SN1D
F
**
F
**
F
**
Z
**
D5V
IC
**
C
IC
**
D
IC
**
IC
**
E
R
**
R
**
R
**
R
**
4.7K
10K
C
**
100pF
100
68
65
9 8 11 10
X0
12
13
3
10
9
1
X
Y
Y0
A
B
Z
**
D5V
TxD0
1FSELA
1FSELB
RxD0
74HC4052M
CN2
CCTXD/RXD
SG
XG4C-1634
74HC4052M
74VHC04
BLM18AG471SN1D
2SC2712Y
1SS352
11
F
**
F
**
D5V
IC
**
IC
**
D
R
**
R
**
TR
**
10K
R
**
R
**
10K
R
**
10K
D
**
1SS357
D
**
3.3K
68
89
14
13
3
10
9
5
X1
X
Y
Y1
A
B
12
Z
**
+12
D5V
TxD0
1FSELA
1FSELB
RxD0

Related product manuals