EasyManua.ls Logo

JCM EBA-30-SD3 - Page 20

JCM EBA-30-SD3
104 pages
Print Icon
To Next Page IconTo Next Page
To Next Page IconTo Next Page
To Previous Page IconTo Previous Page
To Previous Page IconTo Previous Page
Loading...
2 - 6
CHAPTER 2 Operations and Maintenance
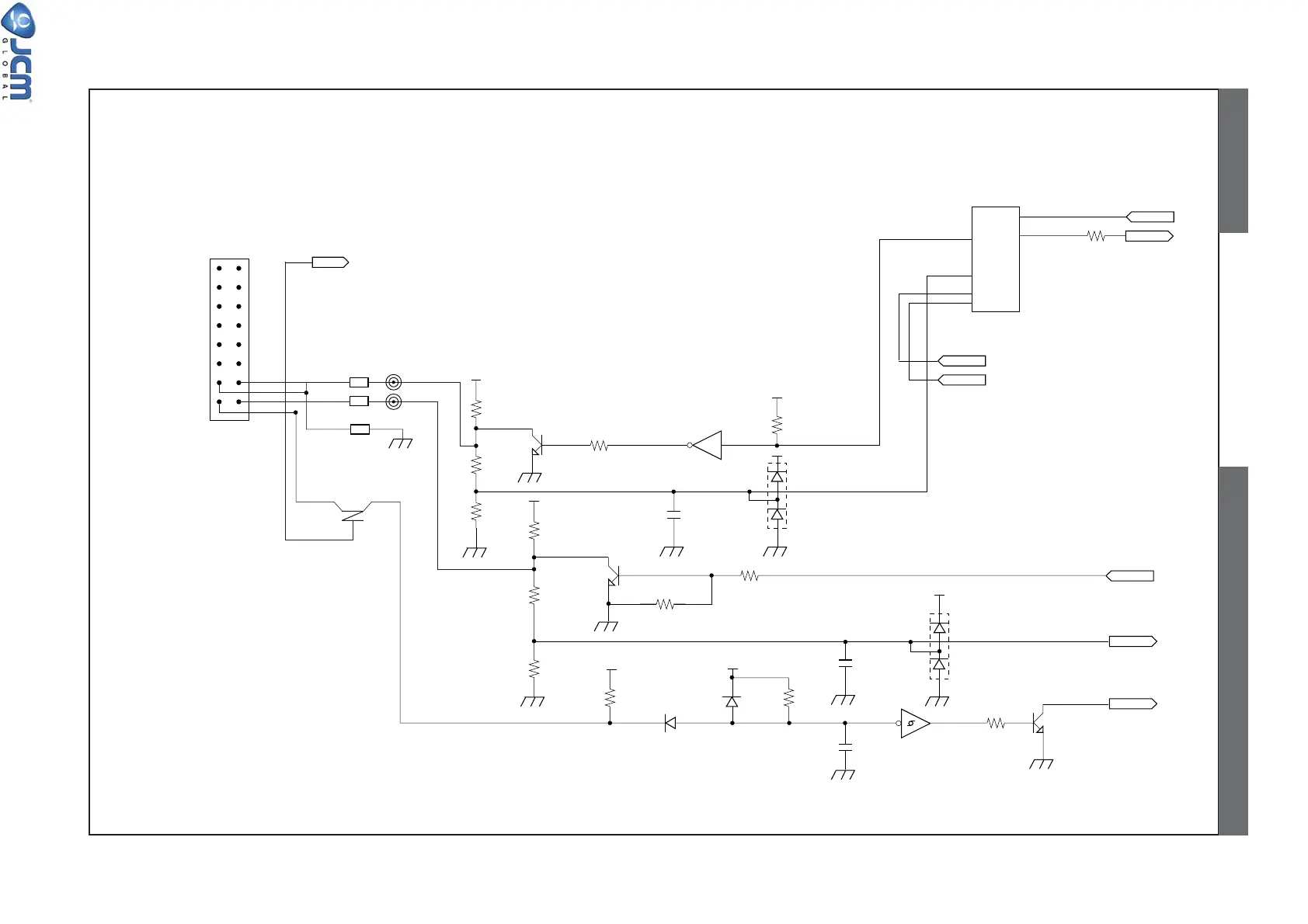
3-2-3 ID-0F3 (HII) Interface Circuit
CN2
HIIDATA
*
HIIBUSY
*
EXRES
SG
XG4C-1634
BLM18AG471SN1D
VFM41RN222N1CL
VF1
2SC2712Y
2SC2712Y
1SS226
15
F
**
F
**
IC
**
R
**
R
**
TR
**
TR20
10K
R
**
10K
C
**
D
**
1SS352
74VHC04
1SS357
D
**
D
**
1SS226
D
**
R
**
100pF
3.3K
68
13
3
10
15
9
2
X2
X
Y
Y2
A
B
16
13
2
13
14
Z
**
F
**
Z
**
+12
R
**
3.3K
D5V
D5V
D5V
D5V
R
**
22K
R
**
22K
R
**
R
**
R
**
10K
100K
+12
+12
R
**
22K
R
**
22K
C
**
100pF
C
**
100pF
74VHC14
IC
**
F
2SC2712Y
TR
**
1213
TxD0
1FSELA
1FSELB
TALK
GNDS
IC
**
E
10 11
3
3
2
1
2
RxD0
*
BUSY
*
EXRES
R
**
10K
R
**
10K
3.3K

Related product manuals