EasyManua.ls Logo

Jedia MOBILE 35 - System Connections

Jedia MOBILE 35
8 pages
Print Icon
To Next Page IconTo Next Page
To Next Page IconTo Next Page
To Previous Page IconTo Previous Page
To Previous Page IconTo Previous Page
Loading...
USE ONLY WITH A 250V FUSE
12
300W
AM GND
FM
75W
CAUTION
RISK OF ELECTRIC SHOCK
DO NOT OPEN
MIC-1
MIC-2
MIC-3
AUX-2
AUX-1
/
REC OUT TAPE IN
R
L
R
L
MIC
AUX
PRIORITY
MIC2
MIC1
50
70V
100V
IMPEDANCE
HIGH LOW
4~16W
COM
0
70/100V
OUTPUT
TAPE SIGNAL BLOCK
20
dB
AUX2
HIGH
RING
IN
MADE IN KOREA
MIXING POWER AMPLIFIER
+
TEL
CAUTION: TO REDUCE THE
RISK OF FIRE REPLACE ONLY
WITH SAME TYPE FUSE.
WARNING
:
TO REDUCE THE RISK OF FIRE OR
ELECTRIC SHOCK DO NOT EXPOSE THIS EQUIPMENT
TO RAIN OR MOISTURE.
50dB
50dB
20dB
6dB 0dB
0
10
TEL RING
TEL IN
SERIAL NO.:
0
10
OFF
ON
AC IN 50/60Hz 210W
MODEL
DC POWER
12V MAX10A
120VAC
T2A 250V
220VAC
T1AL 250V
230VAC
T1AL 250V
240VAC
T1AL 250V
MODEL NO.: MOBILE 60
DC POWER
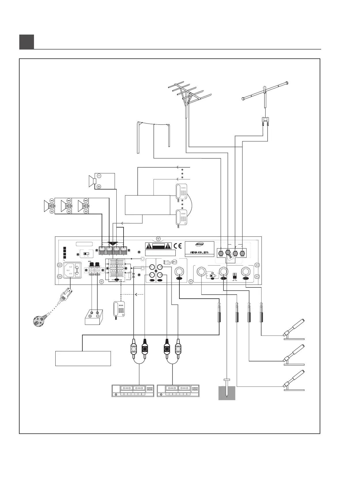
CASSETTE DECK
12VDC
(PLAY)
AC
EXTERNAL
EQUIPMENT
MICROPHONE
WIRE
AWG16
TELEPHONE
TELECOM
NETWORK
CASSETTE DECK
(RECORDING)
EARTH
High impedance speakers
Low impedance speaker
TELEPHONE
EXCHANGE BOARD
TELEPHONE
TELECOM
NETWORK
FM DIPOLE ANTENNA
AM OUTDOOR ANTENNA
75W COAXIAL CABLE
FM ANTENNA
ONLY FOR TUNER
L L
R R
4
YSTEM CONNECTIONS󰼿(시스템󰼿연결󰼿방법)
S

Related product manuals