EasyManua.ls Logo

Jensen CAR1013 - Wiring Diagram - Inputs;Outputs; System Wiring Connections; Fuse Replacement Note

Jensen CAR1013
29 pages
Print Icon
To Next Page IconTo Next Page
To Next Page IconTo Next Page
To Previous Page IconTo Previous Page
To Previous Page IconTo Previous Page
Loading...
7
CAR1013
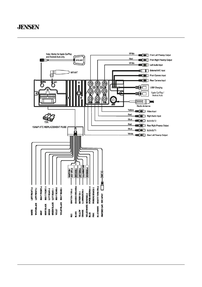
Wiring Diagram - Inputs/Outputs
CarPlayand
Android Auto
GRAY
BLACK
18PIN
BLUE
BLUE
RE D
WHITE
RE D
WHITE
YEL L OW
RED
YEL L OW
WHITE
GND
CAMERA 12V
AV IN R
AV IN L
VIDE O IN
CAME RA IN
LINE OUT FRONT L
LINE OUT FRON T R
LINE OUT REAR L
LINE OUT REAR R
SUB WOOFER 1
SUB WOOFER 2
BL ACK
BL ACK
BLACK
BLACK
BLACK
BLACK
BLACK
BLACK
GRAY
RE D
WHITE/B LACK
GRAY/BLACK
GREEN
GREEN/BLACK
VIOL ET
VIOLE T/BL ACK
RED
BLACK
YELLOW
ORANGE
VIOL ET/WHITE
BLUE
PINK
BLUE/WHITE
WHITE
GRAY
LEFT FRONT(-)
RIGHT FRON T(-)
LEFT REAR(+)
LEFT REAR(- )
RIGHT REAR(+)
RIGHT REAR(- )
CHASSIS GROUND(- )
BATTERY 12(+)
LLUMINATION(+)
REVERS E(+)
POWER ANTENNA (+)
PARKING BRAKE(-)
REMOTE TURN-ON(+)
LEFT FRONT(+)
RIGHT FRONT(+)
SWC INPUTGRAY(RED CAP)
IGNITION / 12V(+)
IGNITION /
ACC 12V(+)
GROUND(-)
BATTERY(+)
ILLUMINATION
REVERSE (+)
20PIN
SWC IN
GPS
Note:
When replacing a fuse, make sure to use the correct type and amperage. Using an incorrect fuse could cause
damage. The unit uses (1) 15 amp ATC mini style fuse located on the power connector.
Wiring Notes:
Subwoofer output
The Subwoofer preamp audio output (Blue jacket with Black RCA) is active in all audio modes.
Rear camera input
A rear view camera (not included) can be used with the Camera input.
SiriusXM
For more information on how to install the SiriusXM Connect Vehicle tuner, consult the installation guide included
with the tuner(SiriusXM connect tuner and subscription sold separely).
Note: For CarPlay and Android Auto only
CarPlayand
Android Auto
GRAY
BLACK
18PIN
BLUE
BLUE
RE D
WHITE
RE D
WHITE
YEL L OW
RED
YEL L OW
WHITE
GND
CAMERA 12V
AV IN R
AV IN L
VIDE O IN
CAME RA IN
LINE OUT FRONT L
LINE OUT FRON T R
LINE OUT REAR L
LINE OUT REAR R
SUB WOOFER 1
SUB WOOFER 2
BL ACK
BL ACK
BLACK
BLACK
BLACK
BLACK
BLACK
BLACK
GRAY
RE D
WHITE/B LACK
GRAY/BLACK
GREEN
GREEN/BLACK
VIOL ET
VIOLE T/BL ACK
RED
BLACK
YELLOW
ORANGE
VIOL ET/WHITE
BLUE
PINK
BLUE/WHITE
WHITE
GRAY
LEFT FRONT(-)
RIGHT FRON T(-)
LEFT REAR(+)
LEFT REAR(- )
RIGHT REAR(+)
RIGHT REAR(- )
CHASSIS GROUND(- )
BATTERY 12(+)
LLUMINATION(+)
REVERS E(+)
POWER ANTENNA (+)
PARKING BRAKE(-)
REMOTE TURN-ON(+)
LEFT FRONT(+)
RIGHT FRONT(+)
SWC INPUTGRAY(RED CAP)
IGNITION / 12V(+)
IGNITION /
ACC 12V(+)
GROUND(-)
BATTERY(+)
ILLUMINATION
REVERSE (+)
20PIN
SWC IN
GPS
Note:
When replacing a fuse, make sure to use the correct type and amperage. Using an incorrect fuse could cause
damage. The unit uses (1) 15 amp ATC mini style fuse located on the power connector.
Wiring Notes:
Subwoofer output
The Subwoofer preamp audio output (Blue jacket with Black RCA) is active in all audio modes.
Rear camera input
A rear view camera (not included) can be used with the Camera input.
SiriusXM
For more information on how to install the SiriusXM Connect Vehicle tuner, consult the installation guide included
with the tuner(SiriusXM connect tuner and subscription sold separely).
Note: For CarPlay and Android Auto only

Other manuals for Jensen CAR1013

Related product manuals