EasyManua.ls Logo

Jensen VX7020A - Page 3

Jensen VX7020A
4 pages
Print Icon
To Next Page IconTo Next Page
To Next Page IconTo Next Page
To Previous Page IconTo Previous Page
To Previous Page IconTo Previous Page
Loading...
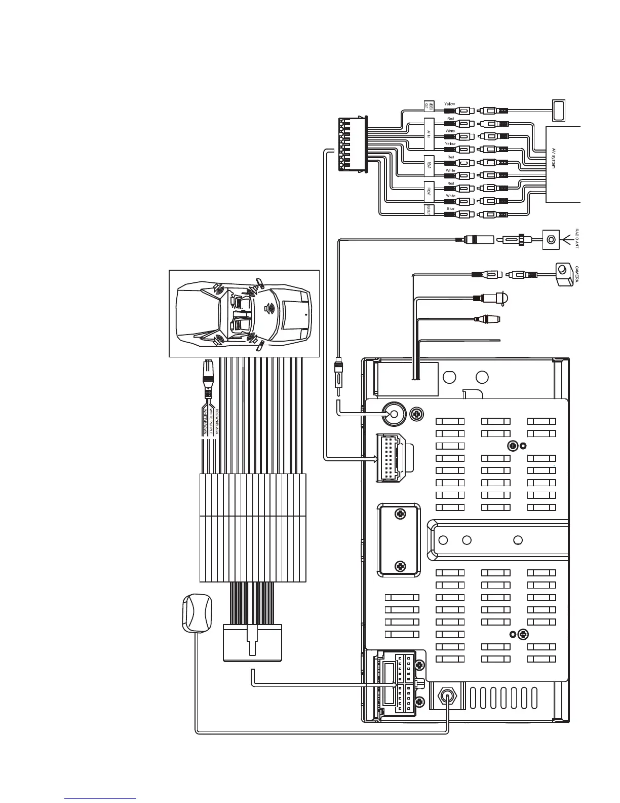
Wiring Diagram
CAUTION! IMPORTANT: Incorrect wiring connections can damage the unit. Follow the wiring instructions
carefully, or have the installation handled by an experienced technician
.
The VX7020A has a built-in SWC Interface compatible with most resistive type OE steering wheel controls. In most installations, only two of the three wires
will be needed to interface the OE steering wheel controls to the VX7020A.
SWC A - Primary SWC Wire
SWC B - Secondary SWC Wire
SWC Ground - Chassis ground
Initial wiring of the SWC interface should include the SWC A and SWC Ground wire. If this combination of wiring does not support your vehicle functions, then
try the SWC B and SWC Ground wire combination. Do not use only SWC A and SWC B. The SWC Ground must be connected.
Some vehicles may not support all SWC functions. Professional Installation is recommended.
2
Black DIN Cable - SiriusXM
Black Female 3.5mm - BT Microphone
Black 1mm Wire - BT Antenna
SPEAKER (-)
SPEAKER (+)
RIGHT FRONT SPEAKER (-)
RIGHT REAR SPEAKER (+)
RIGHT REAR SPEAKER (-)
LEFT REAR SPEAKER (+)
LEFT REAR SPEAKER (-)
BATTERY 12V (+)
GROUND (-)
ACC / IGNITION (+)
TFT DIMMER (+)
POWER ANT & AMP (+)
BRAKE (-)
REVERSE (+)
LEFT FRONT SPEAKER (-)
LEFT FRONT SPEAKER (+)
RIGHT FRONT SPEAKER (+)
BLACK
YELLOW
RED
PINK
GREEN/WHITE
BLUE
GRAY/BLACK
GRAY
GREEN/BLACK
GREEN
PURPLE/BLACK
ORANGE
PURPLE
KEY A
KEY B
WHITE/PURPLE
WHITE/BROWN
KEY GNDBROWN/BLACK
WHITE/BLACK
WHITE
SWC (BLACK)
Yellow RCA - Rear Camera
GPS Antenna

Other manuals for Jensen VX7020A

Related product manuals