EasyManua.ls Logo

Jet-tech F18 - Drain Cycle Operation; Drain Button Functionality

Jet-tech F18
33 pages
Print Icon
To Next Page IconTo Next Page
To Next Page IconTo Next Page
To Previous Page IconTo Previous Page
To Previous Page IconTo Previous Page
Loading...
27
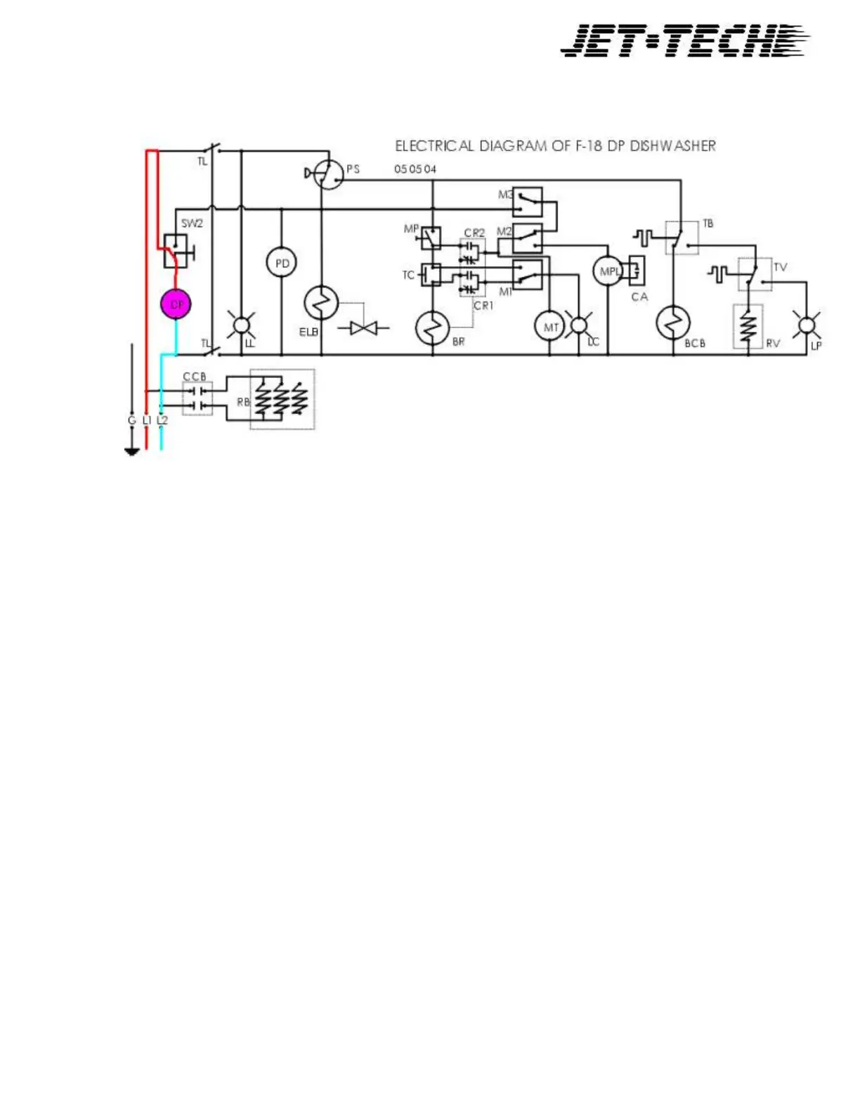
The drain button Sw2 is depressed, power is sent directly to the drain pump DP. The button most be
held in place. If the power switch TL is not switched off, the unit will try to fill again when the water
level reach about 2 inches.
1 888 275 4538 - 611
514 737 9701 - 611
FAX 514 737 2792

Related product manuals