EasyManua.ls Logo

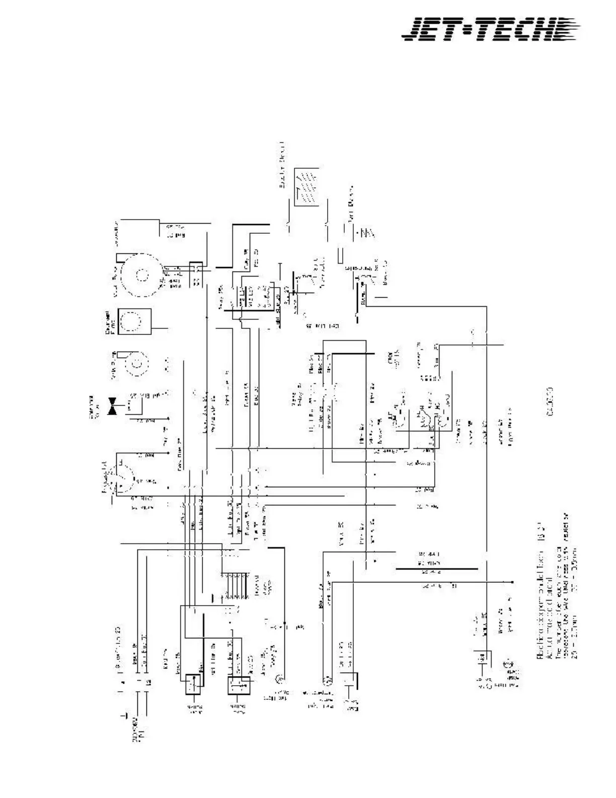
Jet-tech F18 - Detailed Electrical Diagram; Complete System Wiring

Jet-tech F18
33 pages
Print Icon
To Next Page IconTo Next Page
To Next Page IconTo Next Page
To Previous Page IconTo Previous Page
To Previous Page IconTo Previous Page
Loading...
1 888 275 4538 - 611
514 737 9701 - 611
FAX 514 737 2792
32

Related product manuals