EasyManua.ls Logo

Jon-Don R340 - Schéma de Câblage

Default Icon
17 pages
Print Icon
To Next Page IconTo Next Page
To Next Page IconTo Next Page
To Previous Page IconTo Previous Page
To Previous Page IconTo Previous Page
Loading...
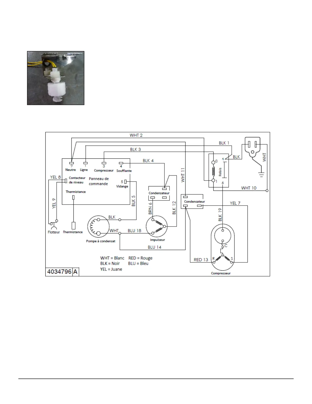
Figure 8: Image de
l’interrupteur de sécurité
à otteur
Figure 9: Schéma de câblage
7
5. Retirez la pompe du réservoir et faites sortir
l’interrupteur à otteur par le dessous du support du
compresseur
6. Remplacez le otteur, la pompe, le câblage, les boulons
et le boîtier dans le sens inverse
6 Schéma de câblage
www.jondon.comNuméro gratuit 1-800-556-6366
BRN = Brun

Related product manuals