EasyManua.ls Logo

Jula 416-085 - Direkte På Et Vannbårnt System

Jula 416-085
Print Icon
To Next Page IconTo Next Page
To Next Page IconTo Next Page
To Previous Page IconTo Previous Page
To Previous Page IconTo Previous Page
Loading...
NORSK
44
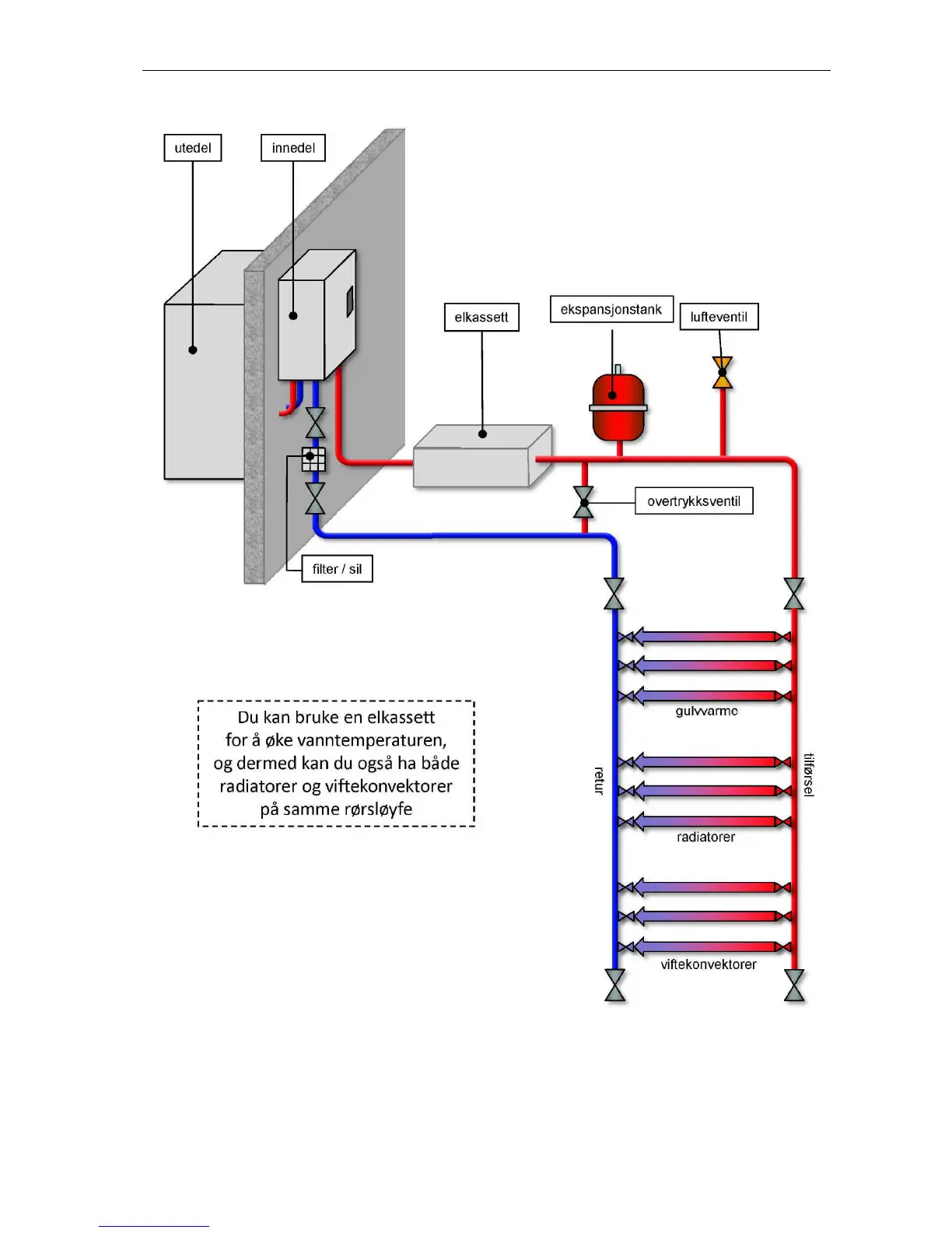
DIREKTE ET VANNBÅRNT SYSTEM

Table of Contents

Related product manuals