EasyManua.ls Logo

Just Motion Control 2DM860 - Page 11

Just Motion Control 2DM860
25 pages
Print Icon
To Next Page IconTo Next Page
To Next Page IconTo Next Page
To Previous Page IconTo Previous Page
To Previous Page IconTo Previous Page
Loading...
Shenzhen Just Motion Control Electro-mechanics Co., Ltd 0755-26509689
- 11 -
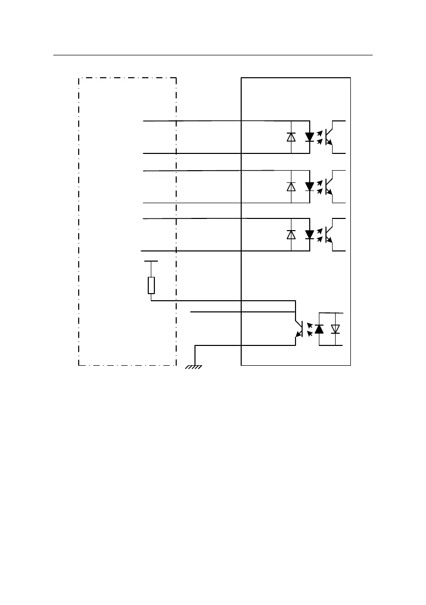
Controller
2DM860
Driver
PUL+
PUL-
DIR+
DIR-
ENA+
ENA-
Pulse
Signal
Direction
Signal
Enable
Signal
VCC
ALM-
ALM+
R1
Remark:
VCC is compatible with 5V or 24V;
R(3~5K) must be connected to control signal terminal.