EasyManua.ls Logo

Just Motion Control 2DM860 - Connections to Control Signal; Connections to Common Anode

Just Motion Control 2DM860
25 pages
Print Icon
To Next Page IconTo Next Page
To Next Page IconTo Next Page
To Previous Page IconTo Previous Page
To Previous Page IconTo Previous Page
Loading...
Shenzhen Just Motion Control Electro-mechanics Co., Ltd 0755-26509689
- 9 -
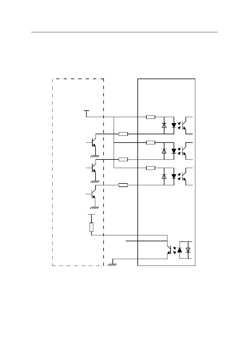
5. Connections to Control Signal
5.1 Connections to Common Anode
270
270
270
VCC
2HSS57-KH
驱动器
控制器
脉冲信号
方向信号
使能信号
R
R
R
PUL+
PUL-
DIR+
DIR-
ENA+
ENA-
ALM+
ALM-
VCC
R1
Remark:
VCC is compatible with 5V or 24V;
R(3~5K) must be connected to control signal terminal.