EasyManua.ls Logo

Just Motion Control 2DM860 - Page 18

Just Motion Control 2DM860
25 pages
Print Icon
To Next Page IconTo Next Page
To Next Page IconTo Next Page
To Previous Page IconTo Previous Page
To Previous Page IconTo Previous Page
Loading...
Shenzhen Just Motion Control Electro-mechanics Co., Ltd 0755-26509689
- 18 -
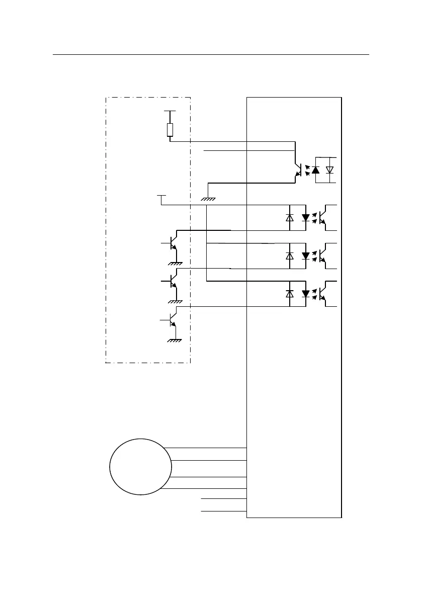
M
2DM860
Drive
Controller
Pulse
Signal
Direction
Signal
Enable
Signal
VCC
PUL+
PUL-
DIR+
DIR-
ENA+
ENA-
Red
Blue
Grenn
Black
A+
A-
B+
B-
VAC
24~48V
AC1
AC2
ALM+
ALM-
VCC
R