EasyManua.ls Logo

JVC DR-E34BK - SEA & System Control Section

JVC DR-E34BK
66 pages
Print Icon
To Next Page IconTo Next Page
To Next Page IconTo Next Page
To Previous Page IconTo Previous Page
To Previous Page IconTo Previous Page
Loading...
SEA
&
System
Control
Section
DR-
E348K
DR-E3
4LBK
OR-E34BK
DR-E34LBK
w
-..or:
~ ! l
:
_:
~~
~-
~
L
t==t
::t:::::::
~
=::
~~~~
~~~[
-----rr.
-~-
-;-
---_-_-_-_-
_::_
-_-_-
_+1-_-_-_-_-_-
_-_-
_-_
-_
~_-_
{1-_-_-+f_-_-_-_-_-_-_
-
..::f1-_y
-
---
--
---
--------
..........
..
>--+-'.,__+-""
!':
L
___
lml
_ r!l!5)
_l!!i§J
_
,1§1
I
I
I
'r
~
~-"T"""-----
----
--~
----......._
u
USED
-··
~"
~,
"'
'
/OE
""'
r
;a;;
..
..
..
...,
.
.
LOI
U.U,Ji>
l..._..
OCH.
..,.,
..,., ..,.,
/OE
.,,.,,
use,
ICM
'-'El
"""
use,
r--
I
I
I
I
I
I
I
I
I
I
I
I
I
I
I
I
I
'
----------'
--------
--
~
§~
I
"- ~
t ~
""
-;
~.
o -
'"'
~1:~
'D
-
~- '
"""
t
~·=
~
iii
I
---------------~
I
I
I
I
,--------
-------------------
---
------------J
..
r:.N....B.-10
1
-11
_ - - - - - - - - - - - - - - -- - - - - - - - - - - -
_J
'
""
..
I
I
L
__
___
__
•-te:>14
....J
------
l>W.l.
rt
--7
""
""
I
I
,
.....
I
I
M
L
________________
______
_____________
_
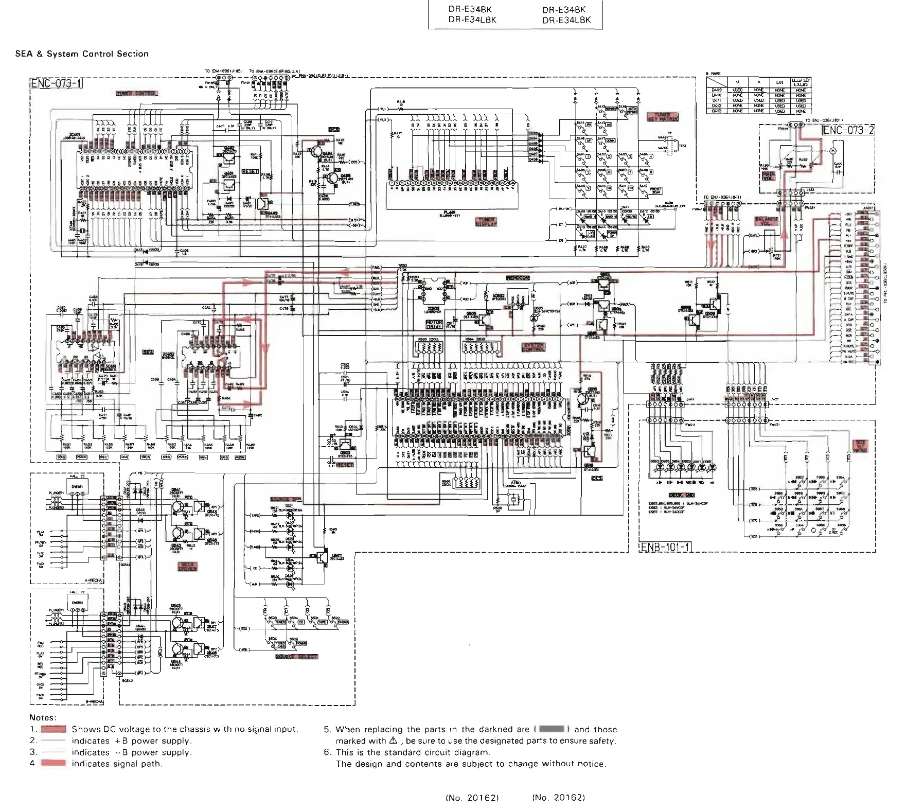
Notes:
1 .
2.
3.
4.
Shows
DC
voltage
to
the
chassis
with
no
signal i
np
u
t.
ind
ic
ates
+ B
power
supply
.
indicates
- B
power
supply
.
indicates
signal
path.
5.
Wh
en
replacing
the
par
ts
in
the
darkned
are I - l a
nd
those
marked w i
th&.
, be sure
to
use
the
designated
parts
to
ensure
safety.
6.
T
his
is
the
sta
ndard c
ir
c
uit
diagram
.
The
design
and
con
te
n
ts
are
subject
to
change
without
notice
.
(No.
20162
)
!No
.
20162
)
www.audiodna.sk

Related product manuals