EasyManua.ls Logo

JVC DX-T9

JVC DX-T9
169 pages
To Next Page IconTo Next Page
To Next Page IconTo Next Page
To Previous Page IconTo Previous Page
To Previous Page IconTo Previous Page
Loading...
2-22
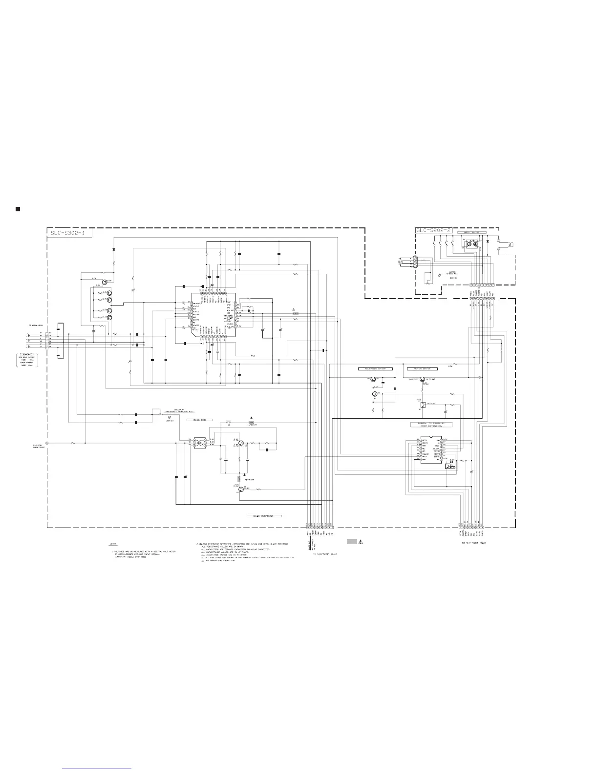
SHEET 6
Parts are safety assurance parts.
When replacing those parts make
sure to use the specified one.
C204
R301
R210
R206
VR31
Q376
Q371
R339
D375
CN33
C104
R302
CN34
IC33
R353
C221
IC32
R310
R305
R347
R121
R221
Q347
C202
R371
R107
R304
FW100
R208
R335
CN1
CN32
VR37
C121
L301
C304
R338
D1
IC1
R207
R337
C207
Q375
Q372
C102
R336
C340
C341
C342
Q302
C110
R108
R106
R327
R306
Q342
R344
R345
R346
Q343
Q345
Q344
Q346
R110
Q305
C308
R314
C210
C374
L303
TP100
R315
R340
C307
C205
C101
C106
CN31
R372
D340
C201
R201
C213
R202
C331
C203
C113
C206
R341
R376
R205
R303
R342
SW6
C109
R343
R104
C306
SW5
C107
C300
C209
C103
C301
R101
SW1
SW2
R375
C376
C220
R204
R102
C120
R216
R116
C105
R105
C319
C316
C310
C314
C313
R313
C371
220p
220
10k
11K
QVP0008-203Z
KTC3199/GL/-T
KTA1271/OY/-T
100K
MTZJ5.1B-T
QGF1205F1-09
220p
MSI-5U2LWA
2.2K
QGF1201F3-10
CD4094BC
10
330P
HA12238F
4.7
10K
10K
15K
15K
KRC107M-T
0.01
12K
9.1K
100
27K
2.2K
QGF1205F1-09
QGF1205F1-09
QVP0077-103Z
330P
QQR1118-001
10/16V
VKZ3174-00B
3.3K
SG-105F3
9.1K
3.3K
270P
2SB562/C/
KRC107M-T
0.01
22K
47/50V
1/50V
47/50V
QAH0101-001
2SK2001
0.0068
27K
11K
470K
4.7K
KRA111M-T
4.7K
4.7K
4.7K
2SC3576-JVC-T
2SC3576-JVC-T
2SC3576-JVC-T
2SC3576-JVC-T
10k
2SK2001
0.0015
15K
0.0068
100/10
VQP0033-100Z
100
680
0.001
390P
820P
2.2/50V
QGF1205F1-06
1K
MTZJ5.1B-T
820P
5.1K
0.1
5.1K
22/16
0.1
0.1
2.2/50V
12K
4.7K
100K
2.2K
24K
QSW0859-001
4.7/25
18K
2.2K
220/10V
1SR139-400-T2
QSW0832-001
270P
1/50V
4.7/25
0.1
100/10
5.1K
QSW0832-001
QSW0832-001
150
0.01
4.7P
2.2K
5.1K
4.7P
1K
1K
390P
100K
0.0047
0.022
0.022
1.5
100/10
2.2
4.7/25
PBR
RECL
RECR
PRL
(SHEET 5)
(SHEET 5)
Tape B record and playback section

Table of Contents

Other manuals for JVC DX-T9

Related product manuals