EasyManua.ls Logo

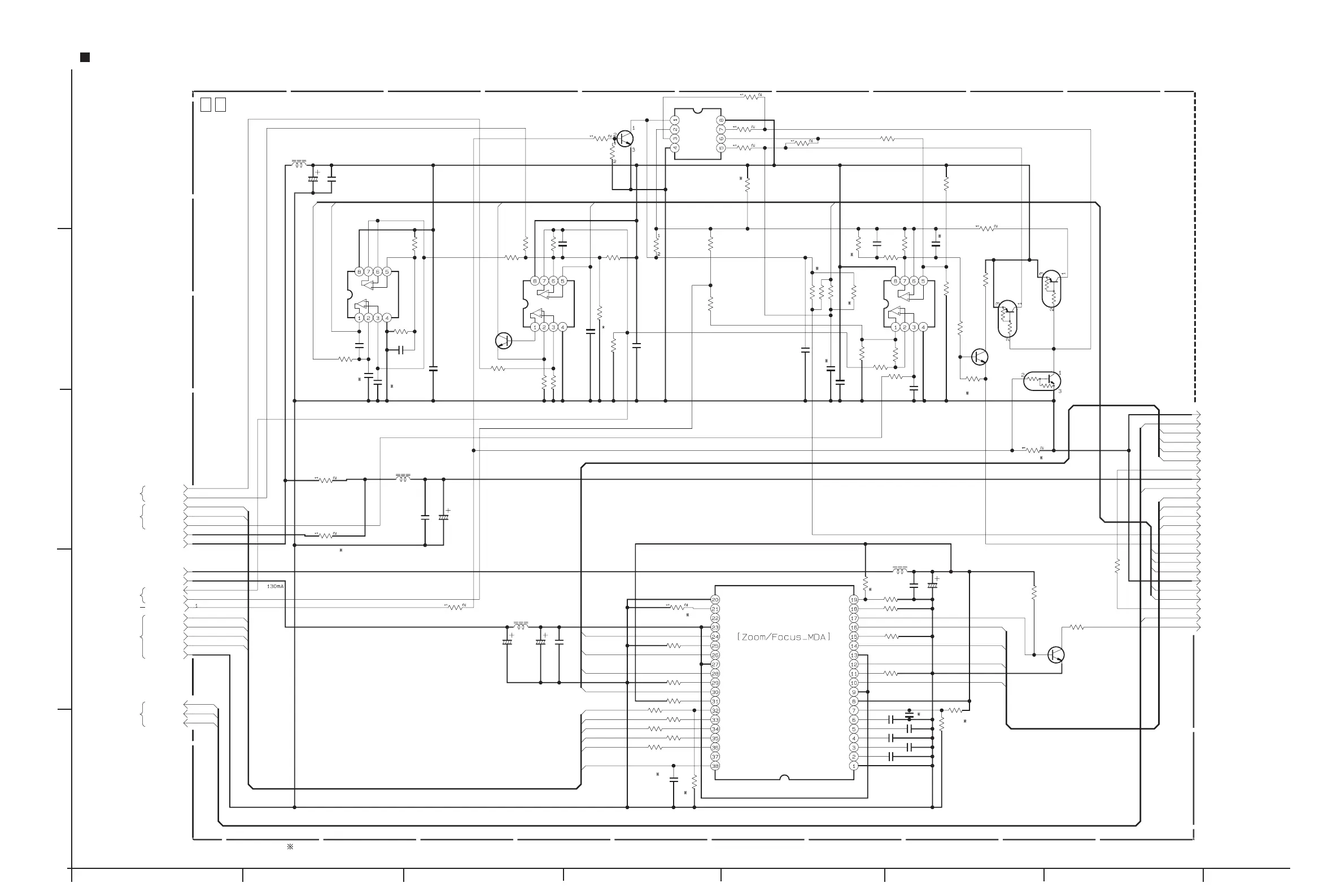
JVC GR-D60EK - Op Driver Schematic Diagram

JVC GR-D60EK
88 pages
Print Icon
To Next Page IconTo Next Page
To Next Page IconTo Next Page
To Previous Page IconTo Previous Page
To Previous Page IconTo Previous Page
Loading...
5
4
3
2
1
A
BC
DE
F
G
2-19 2-20
R4804
H_GAIN
L4802
H_OFFSET
GND
M_REG4.8
R4817
R4820
IC4807
SN74AHC2G66U-X
C4855
R4809
C4807
C4854
R4812
OP_THRMO
R4813
R4808
R4831
R4819
C4813
C4804
C4811
C4815
IRIS_PWM
GND
FOCUS02
M_REG4.8
C4866
HALL_AD
R4876
R4826
R4825
R4842
REG_4.8V
Q4806
R4843
C4812
C4809
R4806
R4807
C4808
R4849
IRIS_O/C
IC4851
C4853
R4862
R4864
R4863
R4865
R4866
C4814
R4874
R4840
R4839
R4867
R4868
C4858
C4859
C4860
C4861
C4862
R4855
R4854
C4863
R4857
R4856
R4858
R4859
R4860
TG_RST
R4844
R4847
CAM_VD
F/Z_CS L4852
L4851
CAM_OUT
CAM_CLK
CLK4M5
R4841
FOCUS03
FOCUS04
FOCUS01
C4851C4852
C4803
F_LED
F_VCC
R4823
REG_3.1V
R4833
F_PTR_AD
ZOOM02
ZOOM03
ZOOM04
R4836
ZOOM01
C4820
R4816
L4853
C4865
Q4802
C4864
DAMP+
DRIVE+
HGVss-
HGout-
HGVcc+
GND
C4823
Q4851
DAMP-
R4870
HGout+
Z_VCC
Z_PTR_AD
Z_LED
IRIS_C
R4846
R4830
Q4805
Q4804
Q4803
Z_PTR_AD
R4837
R4875
R4873
R4850
R4871
R4852
R4872
F_PTR_AD
OP_THRMO
R4821
IC4804
R4818
R4827
IC4802
IC4803
R4814
R4811
R4828
R4805
R4829
R4810
R4815
C4806
C4822
R4824
C4810
R4822
C4819
Q4801
R4845
/10
T
2SC4617/RS/-X
LGND
Cosc
FILa
FILb
FILc
FILd
Vref
Vdd
Vm3
D2
FBd
D1
Vm4
C2
FBc
C1
EXP0
EXP1
VREFSEL
PGND
EXTa
Vm1
A1
FBa
A2
Vm2
B1
FBb
B2
LATCH
SDATA
SCLK
OSCin
OSCout
RESET
EXTb
VD
UPD16879GS-X
/10
T
NQR0129-002X
/6.3
T
/6.3
T
/6.3
T
2SC4617/RS/-X
LM358DR2-X
BA10358FVM-W
BA10358FVM-W
2SC4655/BC/-X
680
10µ
330k
100k
0.1
560
10
15k
24k
10k
0.1
0.1
0.01
1500P
0
0
0.1
0.1
68k
56K
1
3.3
6.8
1k
6.8
1k
1k
0.1
0
1k
0
68p
0.022
0.022
1000p
1000p
0
6.8
6.8
33k
0
0
150
10µ
0
100.1
10
1k
100k
0
1M
10µ
0.1 10
270
0
0R0
0
100k
150k
0
1M
680K
0
10k
10k
4.7k
0.1
4.7k
0.01
33k
0.1
ZOOM01
TG_RST
ZOOM03
ZOOM02
ZOOM04
FOCUS01
FOCUS03
CLK4M5
FOCUS02
FOCUS04
CAM_VD
CAM_VD
F/Z_CS
DATA_OUT
CLK_OUT
F_LED
CLK4M5
DATA_OUT
F/Z_CS
Z_LED
Z_VCC
DAMP+
TG_RST
ZOOM01
ZOOM04
ZOOM03
ZOOM02
FOCUS02
FOCUS04
FOCUS03
FOCUS01
CLK_OUT
Z_PTR_AD
HGout+
HGVcc+
HGVss-
HGout-
DAMP-
F_PTR_AD
OP_THRMO
Z_PTR_AD
F_PTR_AD
OP_THRMO
HGout+
HGVcc+
HGVss-
HGout-
DAMP-
TO OP BLOCK
TO CAM_DSP
TO CPU
TO CPU
TO DV_MAIN
TO CPU
TO CAM_DSP
NOTE: The parts with marked
( )
is not used.
y20235001a_rev0.1
OP DRIVER SCHEMATIC DIAGRAM
0 1 MAIN
(
OP DRIVER
)

Table of Contents

Related product manuals