EasyManua.ls Logo

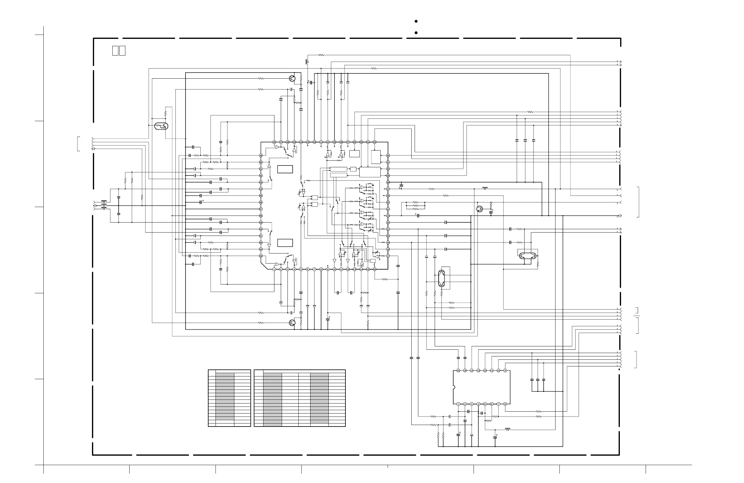
JVC GR-DVL155EG - 4.7 Audio Schematic Diagram

JVC GR-DVL155EG
92 pages
Print Icon
To Next Page IconTo Next Page
To Next Page IconTo Next Page
To Previous Page IconTo Previous Page
To Previous Page IconTo Previous Page
Loading...

Table of Contents

Related product manuals