EasyManua.ls Logo

JVC GR-DVL167EG - Make Connections

JVC GR-DVL167EG
72 pages
Print Icon
To Next Page IconTo Next Page
To Next Page IconTo Next Page
To Previous Page IconTo Previous Page
To Previous Page IconTo Previous Page
Loading...
EN
45
DISPLAY
MAKE CONNECTIONS
Also refer to pg. 20 and 21.
1 A JVC VCR equipped with a remote
pause connector . . .
..... connect the editing cable to the Remote PAUSE
connector.
A JVC VCR not equipped with a remote
pause connector but equipped with an
R.A.EDIT connector . . .
..... connect the editing cable to the R.A.EDIT
connector.
A VCR other than above . . .
..... connect the editing cable to the remote controls
PAUSE IN connector.
2 Insert a recorded tape into the camcorder. Set the
Power Switch to PLAY while pressing down the
Lock Button located on the switch.
3 Turn the VCR power on, insert a recordable tape
and engage the AUX mode (refer to the VCRs
instructions).
NOTES:
Before Random Assemble Editing, make sure the
indications do not appear on the TV monitor. If they do,
they will be recorded onto the new tape.
To choose whether or not the following displays
appear on the connected TV . . .
Date/Time
..... set DATE/TIME to AUTO, ON or OFF in the
Menu Screen (
pg. 36).
Or, press DISPLAY on the remote control
(provided) to turn on/off the date indication.
Time Code
..... set TIME CODE to ON or OFF in the Menu
Screen (
pg. 36).
Playback Sound Mode, Tape Speed And Tape Running
Displays
..... set ON SCREEN to LCD or LCD/TV in the Menu
Screen (
pg. 36).
Set the video out select switch of the cable adapter as
required:
Y/C : When connecting to a TV or VCR which
accepts Y/C signals and uses an S-Video
cable.
CVBS : When connecting to a TV or VCR which does
not accept Y/C signals and uses an audio/video
cable.
When editing on a VCR equipped with a DV input
connector, an optional DV cable can be connected
instead of an S-Video cable and audio/video cable.
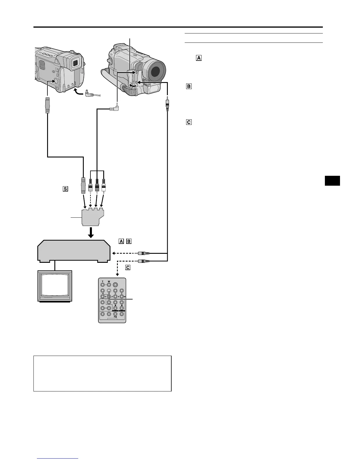
To PAUSE IN
Editing
cable
(provided)
S-Video
cable
(optional)
Audio/Video
cable
(provided)
* Connect when an S-Video cable is not used.
** When connecting cables, open this cover.
Connector cover**
To AV
To JLIP
To S-VIDEO
To AUDIO,
VIDEO*
and
-IN
connectors
Y/C/CVBS
video out
select switch
If your VCR has the
SCART connector,
use the provided
cable adapter.
ATTENTION FOR EDITING CABLE
Make sure you connect the end with the core
filter (plug which has 3 rings around the pin) to
the camcorder.
VCR
TV
To Remote
PAUSE or R.A.EDIT

Table of Contents

Other manuals for JVC GR-DVL167EG

Related product manuals