EasyManua.ls Logo

JVC KD-DV7300J - Page 101

JVC KD-DV7300J
189 pages
Print Icon
To Next Page IconTo Next Page
To Next Page IconTo Next Page
To Previous Page IconTo Previous Page
To Previous Page IconTo Previous Page
Loading...
ESPAÑOL
39DISPOSITIVOS EXTERNOS
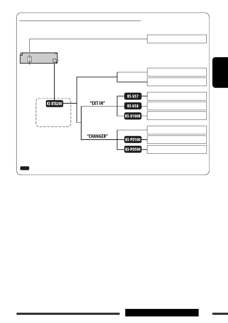
Diagrama conceptual para la conexión del dispositivo externo
Para la conexión, consulte el Manual de instalación/conexión (volumen separado).
Cambiador de CD JVC, [34]
Apple iPod, [37]
Reproductor D. JVC, [37]
Unidad
Jack del cambiador de CD
(consulte la página 43
del ajuste “EXT IN”)
Reproductor MD, etc., [38]
: Adaptador (adquirido por separado)
Reproductor MD, etc., [38]
Reproductor MD, etc., [38]
Terminales LINE IN
con o sin
(consulte las páginas
29 a 33)
Radio por satélite SIRIUS (JVC DLP), [35]
Radio por satélite SIRIUS (JVC PnP)
Radio XM Satellite, [35]
(consulte la página 43
del ajuste “EXT IN”)
SP34-41_KD-DV7380[J]1.indd 39SP34-41_KD-DV7380[J]1.indd 39 1/30/07 6:18:55 PM1/30/07 6:18:55 PM

Table of Contents

Related product manuals