EasyManua.ls Logo

JVC KD-G227 - Page 18

JVC KD-G227
50 pages
Print Icon
To Next Page IconTo Next Page
To Next Page IconTo Next Page
To Previous Page IconTo Previous Page
To Previous Page IconTo Previous Page
Loading...
2-16
Parts are safety assurance parts.
When replacing those parts make
sure to use the specified one.
R535
X521
ARF
IC521
D501
R538
C534
R539
R566
R529
R528
R527
R526
R525
C521
R530
R586
R588
C529
C544
C543
R590
C546
R558
C542
C541
C540
C539
R584
R531
R532
R589R583
C532
R587
R585 C587
C531
C525
C526
C528
C524
R540
C588
C586
C585
VREF
R533
R565
C530
R543
R544
R534
R545
R548
R524
IC981
CN501
R521
R522
R537
C523
IC523
CN503
CN502
R561
R591
C545
C538
C547
C548
C549
IC581
R559
R593R594
R592
C584
C583
C527
R541
R542
C551
C552
C590
R523
C591
C592
C522
C533
C537
R554
Q521
C981
C536
C535
R556
C983
C984
C982
R562
10K
QAX0714-001Z
MN6627945EE
1A3G-T1
0
0.0033
0
10
2.2k
2.2k
2.2k
1K
1K
0.1
4.7k
10K
30K
8200P
0.082
1000p
1.5K
220/6.3
82k
0.1
0.015
680p
0.1
15k
4.7k
4.7k
1.5K
15k
0.33
30K
10K
100P
0.33
0.022
0.022
180P
560P
30K
100P
QTE1H54-225Z
QTE1H54-225Z
27k
150
8200P
1K
1K
68k
3.3K
3.3K
2.2K
NJU7772F15-X
QGB2027M4-22S
1M
220
1.5M
100p
SN74LVC2G07V-X
QGZ2512M1-08
QGZ2512M1-10
1k
10k
0.1
47/6.3
47/6.3
47/6.3
0.1
NJM4565E-X
820
100k100k
10k
820p
820p
3300p
39K
4.7k
0.1
47/6.3
QTE0J57-476Z
4.7k
QTE1A57-107Z
0.1
0.22
47/6.3
47/6.3
4.7
2SA1530A/QR/-X
100/6.3
47/6.3
0.1
47K
100/6.3
0.1
0.1
1k
GND
FEED-
VF2
FEED+
RFVDD
GND
VT2
SW1
VT1
SW2
VF1
PSW
VR
SPINDLE-
LD
SPINDLE+
FOCUS-
VREF
FOCUS+
MD
TRACKING+
TRACKING-
FEED-
FEED+
SPINDLE+
SW1
SPINDLE-
SW2
PSW
VCC
TRACKING-
TRACKING+
FOCUS+
FOCUS-
LD
GND
MD
VR
VF1
VREF
VT1
GND
VT2
VF2
TO SHEET 1
TO CN503
(SHEET 3)
TO CN502
(SHEET 3)
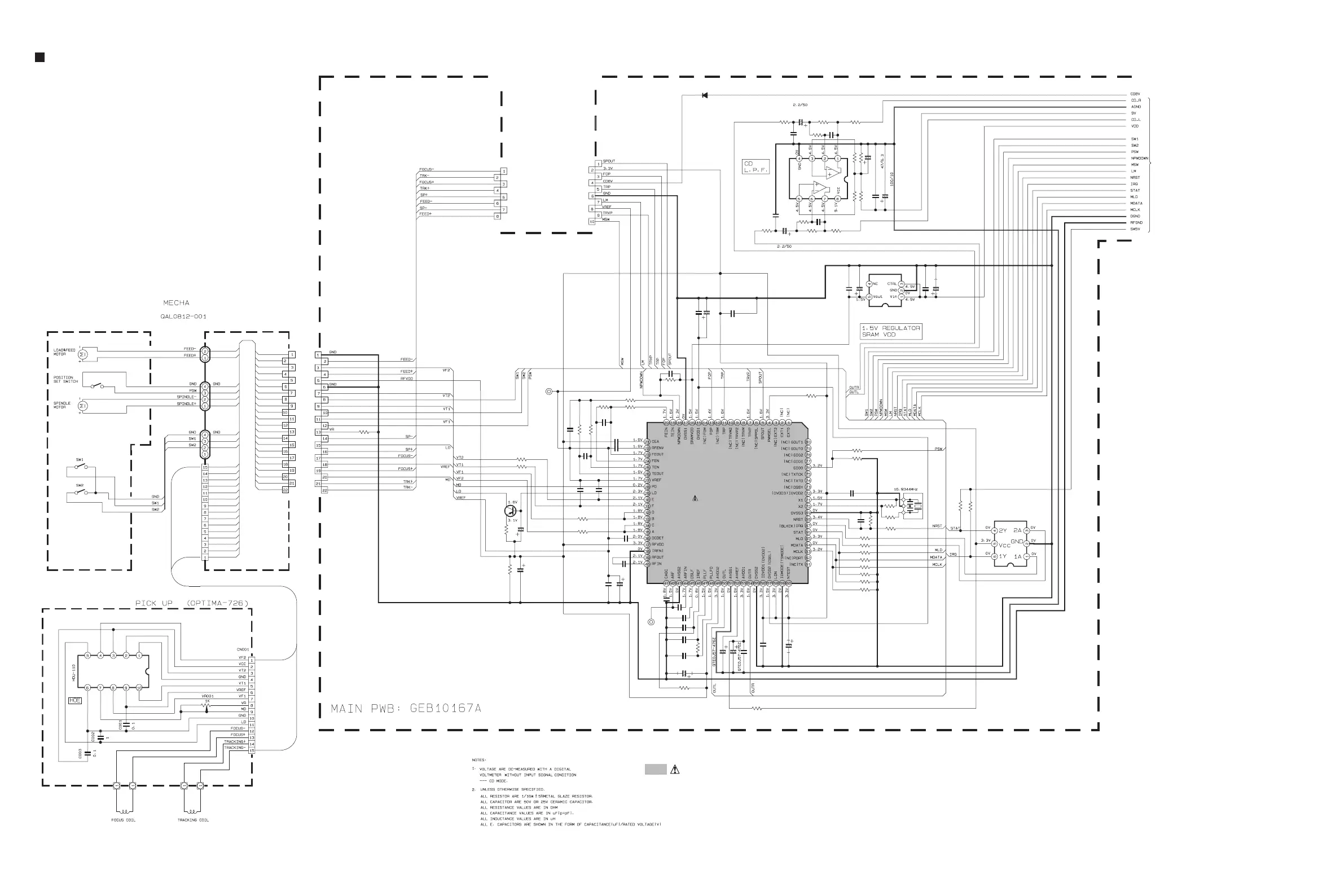
CD servo control section (1/2)
SHEET 2

Other manuals for JVC KD-G227

Related product manuals