EasyManua.ls Logo

JVC KD-G245 - External Amplifier Connection; Connection Troubleshooting

JVC KD-G245
22 pages
Print Icon
To Previous Page IconTo Previous Page
To Previous Page IconTo Previous Page
Loading...
4
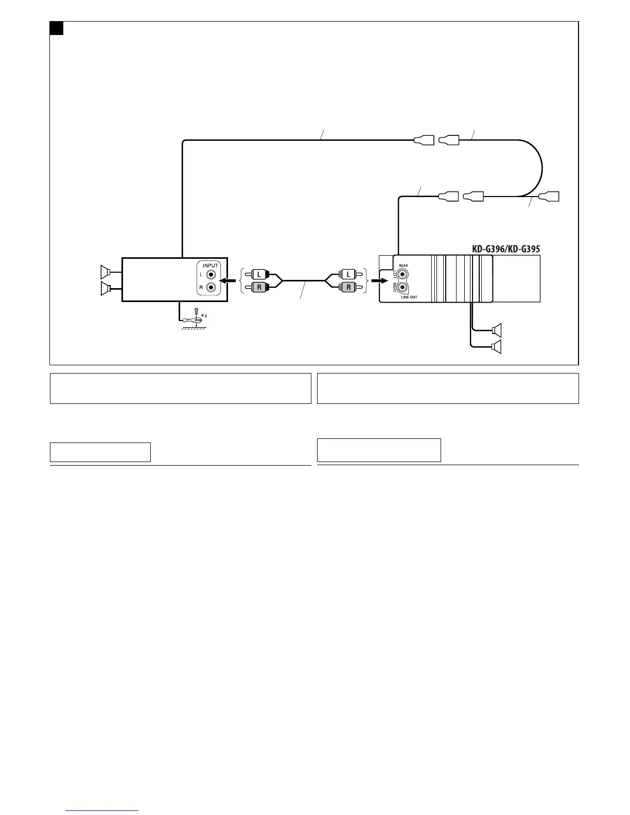
Connecting the external amplifier (only for KD-G396/KD-G395) / °“√‡™◊ËÕ¡μËÕ‡§√◊ËÕߢ¬“¬‡’¬ß¿“¬πÕ° (”À√—∫ KD-G396 À√◊Õ KD-G395 ‡∑Ë“π—Èπ)
You can connect an amplifier to upgrade your car stereo system.
Connect the remote lead (blue with white stripe) to the remote lead of the other equipment so that it
can be controlled through this unit.
Disconnect the speakers from this unit, connect them to the amplifier. Leave the speaker
leads of this unit unused.
*
3
Firmly attach the ground wire to the metallic body or to the chassis of the car—to the place uncoated with
paint (if coated with paint, remove the paint before attaching the wire). Failure to do so may cause damage to
the unit.
§ÿ≥“¡“√∂μËÕ°—∫·Õ¡æ≈‘ø“¬‡ÕÕ√Ï ‡æ◊ËÕ‡æ‘Ë¡§ÿ≥ ¿“æ‡’¬ß„ÀȰ—∫√–∫∫‡μÕ√‘‚Õ¢Õß√∂¬πμÏ
μËÕ“¬μ–°—Ë«√–¬–‰°≈ (’πÈ”‡ß‘π≈“¬¢“«) ‡¢È“°—∫“¬μ–°—Ë«√–¬–‰°≈¢ÕßÕÿª°√≥ÏÕ◊Ëπ Ê ‡æ◊ËÕ®–“¡“√∂§«∫§ÿ¡‚¥¬™ÿ¥ª√–
°Õ∫π’ȉ¥È
∂Õ¥≈”‚æßÕÕ°®“°™ÿ¥ª√–°Õ∫π’È ·≈È«μËÕ‡¢È“°—∫‡§√◊ËÕߢ¬“¬ ∑‘Èß“¬μ–°—Ë«≈”‚æß¢Õß™ÿ¥ª√–°Õ∫π’ȉ«È
*
3
μËÕ≈«¥
“¬¥π„ÀÈ·πËπ‡¢È“°—∫μ—«∂—߇À≈Á° À√◊Õμ—«∂—ß√∂
μ√ß
Ë«π ∑’ˉ¡Ë¡’
‡§≈◊Õ∫
(
À“°¡’
‡§≈◊Õ∫Õ¬ŸË „ÀÈ¢Ÿ¥
’ÕÕ°°ËÕπ °ËÕπμËÕ≈«¥
“¬¥‘π
)
À“°‰¡ËªØ‘∫—μ‘μ“¡§”·π–π”π’È ‡§√◊ËÕßÕ“®™”√ÿ¥À√◊Õ‡
’¬À“¬‰¥
B
Rear speakers
≈”‚æßÀ≈—ß
Remote lead
“¬μ–°—Ë«•–¬–‰°•
Remote lead (blue with white stripe)
“¬μ–°—Ë«•–¬–‰°• (’πÈ”‡ß‘π≈“¬¢“«)
To the remote lead of other equipment or automatic antenna if any
μËÕ“¬°—∫Õÿª°√≥ÏÕ◊ËπÀ√◊Õ‡“Õ“°“»Õ—μ‚π¡—μ‘∂È“¡’
Y-connector (not supplied for this unit)
¢ÈÕμËÕ√Ÿªμ—« Y ( ‰¡Ë‰¥È„ÀÈ¡“°—∫™ÿ¥ª√–°Õ∫π’È)
Front speakers
≈”‚æßÀπÈ“
JVC Amplifier
‡§√◊ËÕߢ¬“¬‡’¬ß JVC
TROUBLESHOOTING
The fuse blows.
* Are the red and black leads connected correctly?
Power cannot be turned on.
* Is the yellow lead connected?
No sound from the speakers.
* Is the speaker output lead short-circuited?
• Sound is distorted.
* Is the speaker output lead grounded?
* Are the “–” terminals of L and R speakers grounded in common?
Noise interfere with sounds.
* Is the rear ground terminal connected to the car’s chassis using shorter and thicker cords?
This unit becomes hot.
* Is the speaker output lead grounded?
* Are the “–” terminals of L and R speakers g
rounded in common?
This unit does not work at all.
* Have you reset your unit?
°“√μ√«®Õ∫ªí≠À“¢—¥¢ÈÕß
ø‘«Ï¢“¥
* ¡’°“√‡™◊ËÕ¡ “¬μ–°—Ë«’¥”·≈–’·¥ßլ˓ß∂Ÿ°μÈÕßÀ√◊Õ‰¡Ë
‰¡Ë“¡“√∂‡ª‘¥‡§√◊ËÕ߉¥È
* ¡’°“√‡™◊ËÕ¡“¬μ–°—Ë«’‡À≈◊ÕßÀ√◊Õ‰¡Ë
‰¡Ë¡’‡’¬ßÕÕ°®“°≈”‚æß
* “¬μ–°—Ë«Ë«π∑’ËÕÕ°∑“ß≈”‚æß‡°‘¥‰øøÈ“≈—¥«ß®√À√◊Õ‰¡Ë
‡’¬ß‡æ’Ȭπ
* “¬μ–°—Ë«Ë«π∑’ËÕÕ°∑“ß≈”‚æßμËÕ≈ߥ‘πÀ√◊Õ‰¡Ë
* “¬¢—È«≈∫ “–” ¢Õß≈”‚æß¥È“π´È“¬·≈–¢«“μËÕ≈ߥ‘πμ“¡ª°μ‘À√◊Õ‰¡Ë
‡’¬ß√∫°«π
* ¡’°“√„™È“¬—ÈπÊ À√◊ÕÀπ“Ê μËÕ®“°‡§√◊ËÕß«π∑’Ëμ‘¥μ—Èß ‰«È∫πæ◊Èπ¥È“πÀ≈—ß°—∫μ—«∂—ß√∂¬πμÏÀ√◊Õ‰¡Ë
™ÿ¥ª√–°Õ∫√ÈÕπ¢÷Èπ
* “¬μ–°—Ë«Ë«π∑’ËÕÕ°∑“ß≈”‚æßμËÕ≈ߥ‘πÀ√◊Õ‰¡Ë
* “¬¢—È«≈∫ “–” ¢Õß≈”‚æß¥È“π´È“¬·≈–¢«“μËÕ≈ߥ‘πμ“¡ª°μ‘À√◊Õ‰¡Ë
‡§√◊ËÕß√—∫π’È∑”ß“π‰¡
* ∑Ë“π‰¥Èμ—È߇§√◊ËÕß„À¡Ë·≈È«À√◊Õ¬—ß
Signal cord (not supplied for this unit)
“¬‡§‡∫‘≈—≠≠“≥ ( ‰¡Ë‰¥È„ÀÈ¡“°—∫™ÿ¥ª√–°Õ∫π’È)
Install3-4_KD-G396_009A_TH.indd 4 8/22/07 2:23:55 PM

Related product manuals