EasyManua.ls Logo

JVC KD-G440 - Page 166

JVC KD-G440
218 pages
Print Icon
To Next Page IconTo Next Page
To Next Page IconTo Next Page
To Previous Page IconTo Previous Page
To Previous Page IconTo Previous Page
Loading...
4
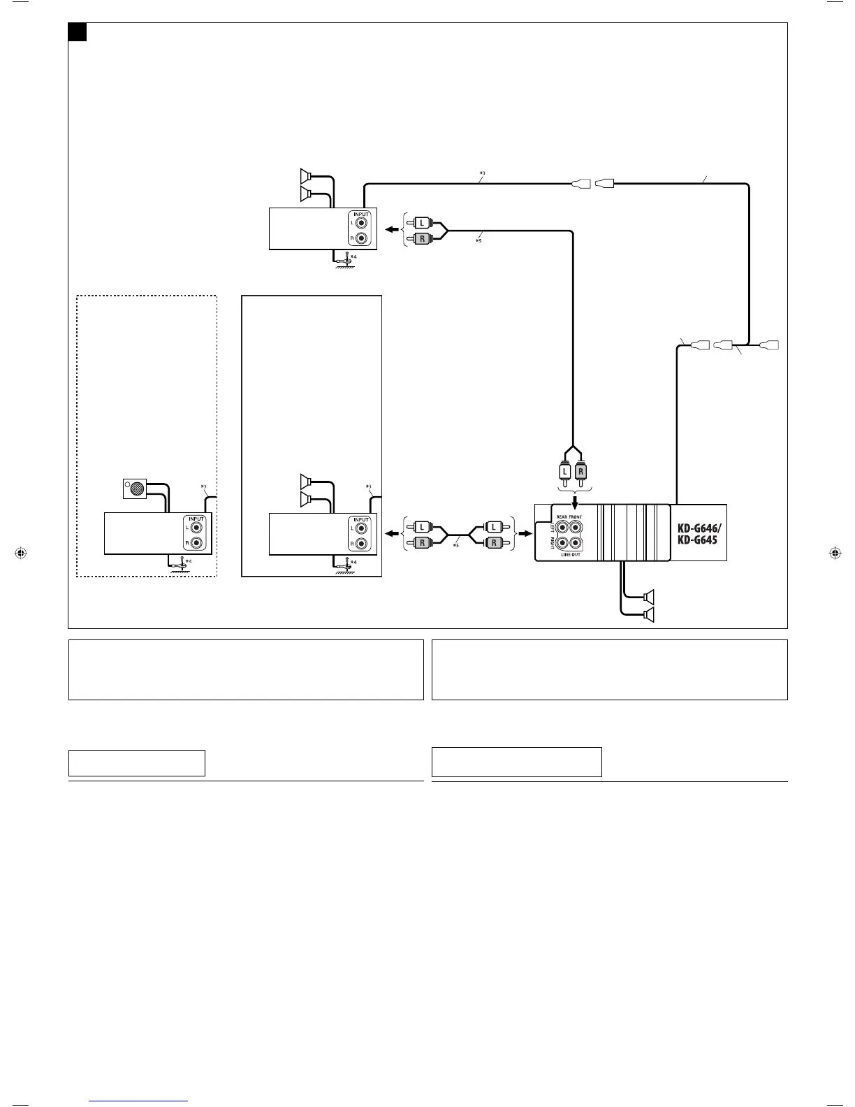
Connecting the external amplifiers and/or subwoofer / µËÕ·Õ¡ª≈‘ø“¬‡ÕÕ√Ï·≈–/À√◊Õ´—∫«Ÿø‡øÕ√ϥȓπÕ°
You can connect amplifiers to upgrade your car stereo system.
Connect the remote lead (blue with white stripe) to the remote lead of the other equipment so that it
can be controlled through this unit.
Disconnect the speakers from this unit, connect them to the amplifier. Leave the speaker
leads of this unit unused.
*
3
Remote lead
*
4
Firmly attach the ground wire to the metallic body or to the chassis of the car—to the place uncoated with
paint (if coated with paint, remove the paint before attaching the wire). Failure to do so may cause damage to
the unit.
*
5
Signal cord (not supplied for this unit)
§ÿ≥“¡“√∂µËÕ°—∫·Õ¡æ≈‘ø“¬‡ÕÕ√ú‰¥ôÀ≈¬“‡æ◊ËÕ‡æ‘Ë¡§ÿ≥¿“æ‡’¬ß„ÀȰ—∫√–∫∫‡µÕ√‘‚Õ„π√∂¬πµÏ
µËÕ“¬µ–°—Ë«√–¬–‰°≈ (’πÈ”‡ß‘π≈“¬¢“«) ‡¢È“°—∫“¬µ–°—Ë«√–¬–‰°≈¢ÕßÕÿª°√≥ÏÕ◊Ëπ Ê ‡æ◊ËÕ®–“¡“√∂§«∫§ÿ¡‚¥¬™ÿ¥ª√–
°Õ∫π’ȉ¥È
∂Õ¥≈”‚æßÕÕ°®“°™ÿ¥ª√–°Õ∫π’È ·≈È«µËÕ‡¢È“°—∫‡§√◊ËÕߢ¬“¬ ∑‘Èß“¬µ–°—Ë«≈”‚æß¢Õß™ÿ¥ª√–°Õ∫πîô‰«È
*
3
“¬µ–°—Ë«•–¬–‰°•
*
4
µËÕ≈«¥
“¬¥‘π„ÀÈ·πËπ‡¢È“°—∫µ—«∂—߇À≈Á° À√◊Õµ—«∂—ß√∂
µ√ß
Ë«π ∑’ˉ¡Ë¡’
’‡§≈◊Õ∫
(
À“°¡’
‡§≈◊Õ∫Õ¬ŸË „ÀÈ¢Ÿ¥
’ÕÕ°°ËÕπ °ËÕπµËÕ≈«¥
“¬¥‘π
)
À“°‰¡ËªØ‘∫—µ‘µ“¡§”·π–π”π’È ‡§√◊ËÕßÕ“®™”√ÿ¥À√◊Õ‡
’¬À“¬‰¥
*
5
“¬‡§‡∫‘≈—≠≠“≥
(
‰¡Ë‰¥È„ÀÈ¡“°—∫™ÿ¥ª√–°Õ∫π’È
)
B
Rear speakers
≈”‚æßÀ≈—ß
To the remote lead of other
equipment or automatic
antenna if any
µËÕ“¬°—∫Õÿª°√≥ÏÕ◊ËπÀ√◊Õ‡“Õ“°“»Õ—
µ‚π¡—µ‘∂È“¡’
Front speakers
≈”‚æßÀπÈ“
JVC Amplifier
‡§√◊ËÕߢ¬“¬‡’¬ß JVC
TROUBLESHOOTING
The fuse blows.
* Are the red and black leads connected correctly?
Power cannot be turned on.
* Is the yellow lead connected?
No sound from the speakers.
* Is the speaker output lead short-circuited?
Sound is distorted.
* Is the speaker output lead grounded?
* Are the “–” terminals of L and R speakers grounded in common?
Noise interfere with sounds.
* Is the rear ground terminal connected to the car’s chassis using shorter and thicker cords?
This unit becomes hot.
* Is the speaker output lead grounded?
* Are the “–” terminals of L and R speakers grounded in common?
This unit does not work at all.
* Have you reset your unit?
°“√µ√«®Õ∫ªí≠À“¢—¥¢ÈÕß
øî«Ï¢“¥
* ¡’°“√‡™◊ËÕ¡ “¬µ–°—Ë«’¥”·≈–’·¥ßլ˓ß∂Ÿ°µÈÕßÀ√◊Õ‰¡Ë
‰¡Ë“¡“√∂‡ªî¥‡§√◊ËÕ߉¥È
* ¡’°“√‡™◊ËÕ¡“¬µ–°—Ë«’‡À≈◊ÕßÀ√◊Õ‰¡Ë
‰¡Ë¡’‡’¬ßÕÕ°®“°≈”‚æß
* “¬µ–°—Ë«Ë«π∑’ËÕÕ°∑“ß≈”‚æß‡°‘¥‰øøÈ“≈—¥«ß®√À√◊Õ‰¡Ë
‡’¬ß‡æ’Ȭπ
* “¬µ–°—Ë«Ë«π∑’ËÕÕ°∑“ß≈”‚æßµËÕ≈ߥ‘πÀ√◊Õ‰¡Ë
* “¬¢—È«≈∫ “–” ¢Õß≈”‚æß¥È“π´È“¬·≈–¢«“µËÕ≈ߥ‘πµ“¡ª°µ‘À√◊Õ‰¡Ë
‡’¬ß√∫°«π
* ¡’°“√„™È“¬—ÈπÊ À√◊ÕÀπ“Ê µËÕ®“°‡§√◊ËÕß«π∑’˵‘¥µ—Èß ‰«È∫πæ◊Èπ¥È“πÀ≈—ß°—∫µ—«∂—ß√∂¬πµÏÀ√◊Õ‰¡Ë
™ÿ¥ª√–°Õ∫√ÈÕπ¢÷Èπ
* “¬µ–°—Ë«Ë«π∑’ËÕÕ°∑“ß≈”‚æßµËÕ≈ߥ‘πÀ√◊Õ‰¡Ë
* “¬¢—È«≈∫ “–” ¢Õß≈”‚æß¥È“π´È“¬·≈–¢«“µËÕ≈ߥ‘πµ“¡ª°µ‘À√◊Õ‰¡Ë
‡§√◊ËÕß√—∫π’È∑”ß“π‰¡
* ∑Ë“π‰¥Èµ—È߇§√◊ËÕß„À¡Ë·≈È«À√◊Õ¬—ß
Set “L/O MODE” to “SUB.W” (See
page 13 of the INSTRUCTIONS.)
µ—Èß§Ë“ “L/O MODE” ‡ªìπ “SUB.W”
(¥ŸÀπÈ“ 13 §”·π–π”)
You can also connect a subwoofer to
the REAR LINE OUT terminals.
∑Ë“π¬—ß“¡“√∂µËÕ´—∫«Ÿø‡øÕ√χ¢È“°—∫™ËÕßµËÕ—≠≠“≥
REAR LINE OUT ‰¥È
Set “L/O MODE” to “REAR” (See page
13 of the INSTRUCTIONS.)
µ—Èß§Ë“ “L/O MODE” ‡ªìπ “REAR”
(¥ŸÀπÈ“ 13 §”·π–π”)
You can connect a power amplifier for
rear speakers.
∑Ë“π“¡“√∂µËÕ‡§√◊ËÕߢ¬“¬‡’¬ß‡ª
Á
π≈”‚æßÀ≈—߉¥È
or
À√◊Õ
JVC Amplifier
‡§√◊ËÕߢ¬“¬‡’¬ß JVC
Subwoofer
´—∫«Ÿø‡øÕ√Ï
Y-connector (not supplied for this unit)
¢ÈÕµËÕ√Ÿªµ—« Y ( ‰¡Ë‰¥È„ÀÈ¡“°—∫™ÿ¥ª√–°Õ∫π’È)
Remote lead (blue with white stripe)
“¬µ–°—Ë«•–¬–‰°• (’πÈ”‡ß‘π≈“¬¢“«)
Install3-4_KD-G646_009A_1.indd 4Install3-4_KD-G646_009A_1.indd 4 10/30/07 10:19:22 AM10/30/07 10:19:22 AM

Other manuals for JVC KD-G440

Related product manuals