EasyManua.ls Logo

JVC KD-G440 - Connecting External Amplifiers;Subwoofer

JVC KD-G440
218 pages
To Next Page IconTo Next Page
To Next Page IconTo Next Page
To Previous Page IconTo Previous Page
To Previous Page IconTo Previous Page
Loading...
4
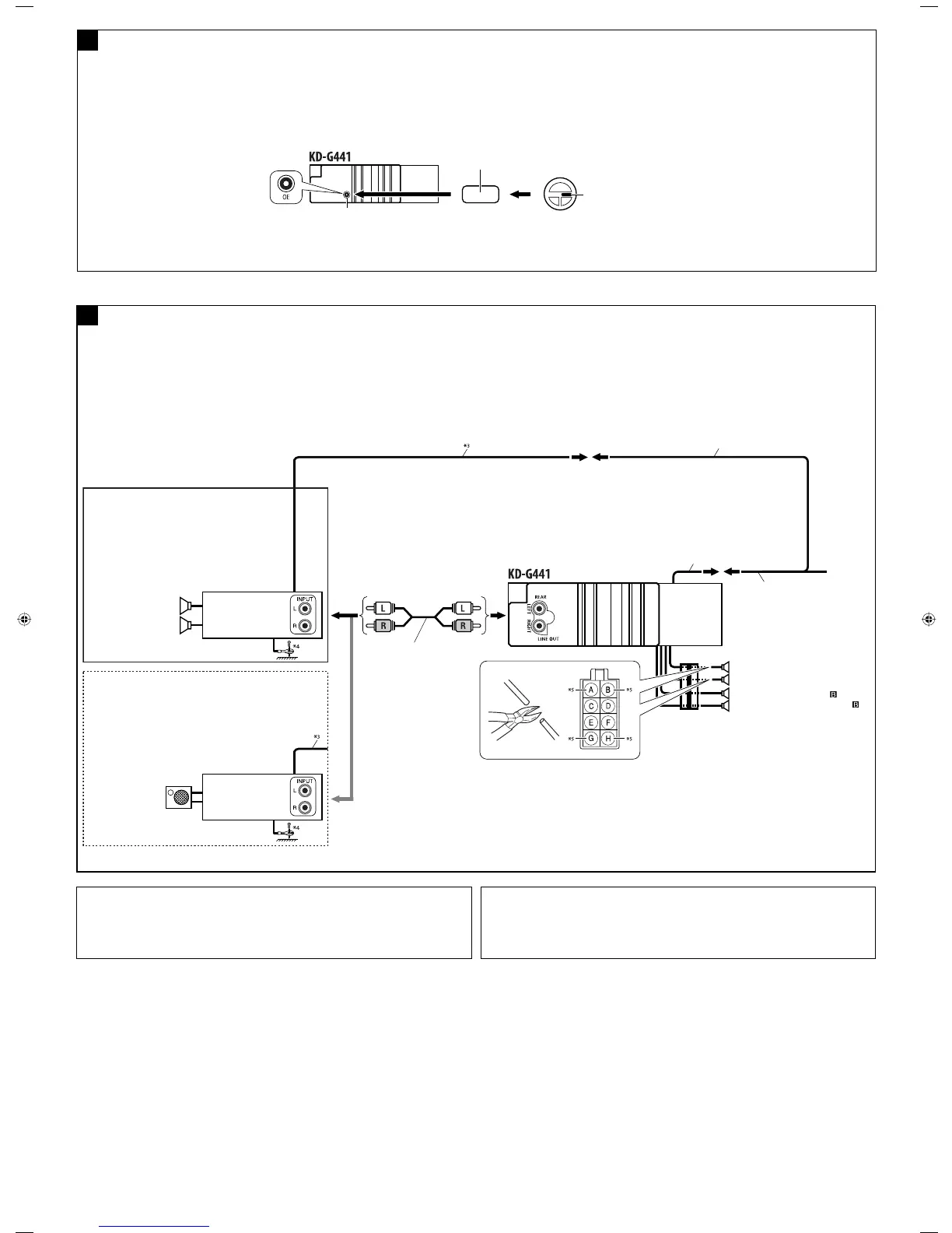
Connecting to the steering wheel remote controller (only for KD-G441) / Connexion de la télécommande de volant (uniquement pour le
KD-G441)
If your car is equipped with the steering wheel remote controller, you can operate this unit using the
controller. To do it, a JVC’s OE remote adapter (not supplied) which matches with your car is required.
Consult your JVC IN-CAR ENTERTAINMENT dealer for details.
C
Si votre voiture est munie d’une télécommande de volant, vous pouvez commander cet autoradio en
utilisant la télécommande. Pour le faire, un adaptateur pour télécommande au volant JVC (non fourni)
correspondant à votre voiture est nécessaire. Consultez votre revendeur d’autoradio JVC pour les détails.
Set “L/O MODE” to “REAR”
(See page 15 of the INSTRUCTIONS.)
Réglez “L/O MODE” sur “REAR”
(Voir page 15 du MANUEL D’INSTRUCTIONS.)
D
Connecting the external amplifier or subwoofer (only for KD-G441) / Connexion d’un amplificateur extérieur ou d’un caisson de grave
(uniquement pour le KD-G441)
You can connect an amplifier to upgrade your car stereo system.
Connect the remote lead (blue with white stripe) to the remote lead of the other equipment so that it
can be controlled through this unit.
Disconnect the speakers from this unit, connect them to the amplifier. Leave the speaker
leads of this unit unused.
Vous pouvez connecter un amplificateur pour améliorer votre système autoradio.
Connectez le fil de commande à distance (bleu avec bande blanche) au fil de commande à distance de
l’autre appareil de façon qu’il puisse être commandé via cet appareil.
Déconnectez les enceintes de cet appareil et connectez-les à l’amplificateur. Laissez les fils
d’enceintes de cet appareil inutilisés.
Set “L/O MODE” to “SUB.W”
(See page 15 of the INSTRUCTIONS.)
Réglez “L/O MODE” sur “SUB.W”
(Voir page 15 du MANUEL D’INSTRUCTIONS.)
or / ou
Rear speakers
Enceintes arrière
JVC Amplifier
JVC Amplificateur
Y-connector (not supplied for this unit)
Connecteur Y (non fourni avec cet autoradio)
Remote lead (blue with white stripe)
Fil d’alimentation à distance (bleu avec bande blanche)
To the remote lead of other
equipment or power aerial if any
Au fil de télécommande de l’autre
appareil ou à l’antenne automatique
s’il y en a une
Front speakers (see diagram
)
Enceintes avant (voir le diagramme )
Rear speakers
Enceintes arrière
Signal cord (not supplied for
this unit)
Cordon de signal (non fourni
avec cet autoradio)
JVC Amplifier
JVC Amplificateur
Subwoofer
Caisson de grave
OE
Steering wheel remote input
Entrée de la télécommande de volant
OE remote adapter (not supplied)
Adaptateur pour télécommande au volant (non fourni)
Steering wheel remote controller (equipped in the car)
Télécommande de volant (installée dans la voiture)
*
3
Fil d’alimentation à distance
*
4
Attachez solidement le fil de mise à la masse au châssis métallique de la voiture—à un endroit qui n’est pas
recouvert de peinture (s’il est recouvert de peinture, enlevez d’abord la peinture avant d’attacher le fil). L’appareil
peut être endommagé si cela n’est pas fait correctement.
*
5
Coupez les fils des enceintes arrière du connecteur ISO de la voiture et connectez-les à l’amplificateur.
*
3
Remote lead
*
4
Firmly attach the ground wire to the metallic body or to the chassis of the car—to the place uncoated with
paint (if coated with paint, remove the paint before attaching the wire). Failure to do so may cause damage to
the unit.
*
5
Cut the rear speaker leads of the car’s ISO connector and connect them to the amplifier.
Install_3-4KD-G441_010A_5.indd 4Install_3-4KD-G441_010A_5.indd 4 11/6/07 12:37:57 PM11/6/07 12:37:57 PM

Other manuals for JVC KD-G440

Related product manuals