EasyManua.ls Logo

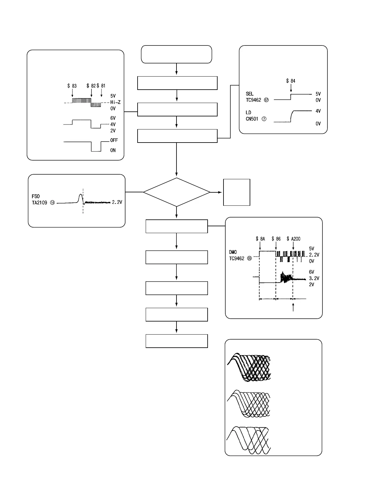
JVC KD-S6250 - Flow of functional operation until TOC read

JVC KD-S6250
27 pages
Print Icon
To Next Page IconTo Next Page
To Next Page IconTo Next Page
To Previous Page IconTo Previous Page
To Previous Page IconTo Previous Page
Loading...
KD-S6250/KD-S580
1-12
Power ON
Set Function to CD
Play
Jump to the first track
TOC readout
Tracking loop closed
Disc rotates
Disc inserted
YES
YES
Laser emitted
Pickup feed to the inner area
Focus search
RF signal eye-pattern
opens
RF signal eye-pattern
remains closed
"No disc"
display
When correctly focused
Focus Servo Loop ON
When the laser diode correctly
emits
Microprocessor
commands
Rough Servo Mode
CLV Servo Mode
(ProgramArea)
CLV Servo Mode
(Lead-In Area;
Digital: 0)
RF signal
Flow of functional operation until TOC read
When the pickup correctly moves
to the inner area of the disc
TERMINAL
Microprocessor
commands
FMO
TC9462 "53"
FEED MOTOR
+TERMINAL
IC581 "5"
REST SW
When the disc correctly rotates
Tracking Servo Loop ON
Servo CLV
Rough
Servo
AccelerationAcceleration
Microprocessor
commands
Spindle
motor (-)
IC581 "7"
0.5 Sec
0.5 Sec

Other manuals for JVC KD-S6250

Related product manuals