EasyManua.ls Logo

JVC KD-S6250 - Page 16

JVC KD-S6250
27 pages
Print Icon
To Next Page IconTo Next Page
To Next Page IconTo Next Page
To Previous Page IconTo Previous Page
To Previous Page IconTo Previous Page
Loading...
KD-S6250/KD-S580
1-16
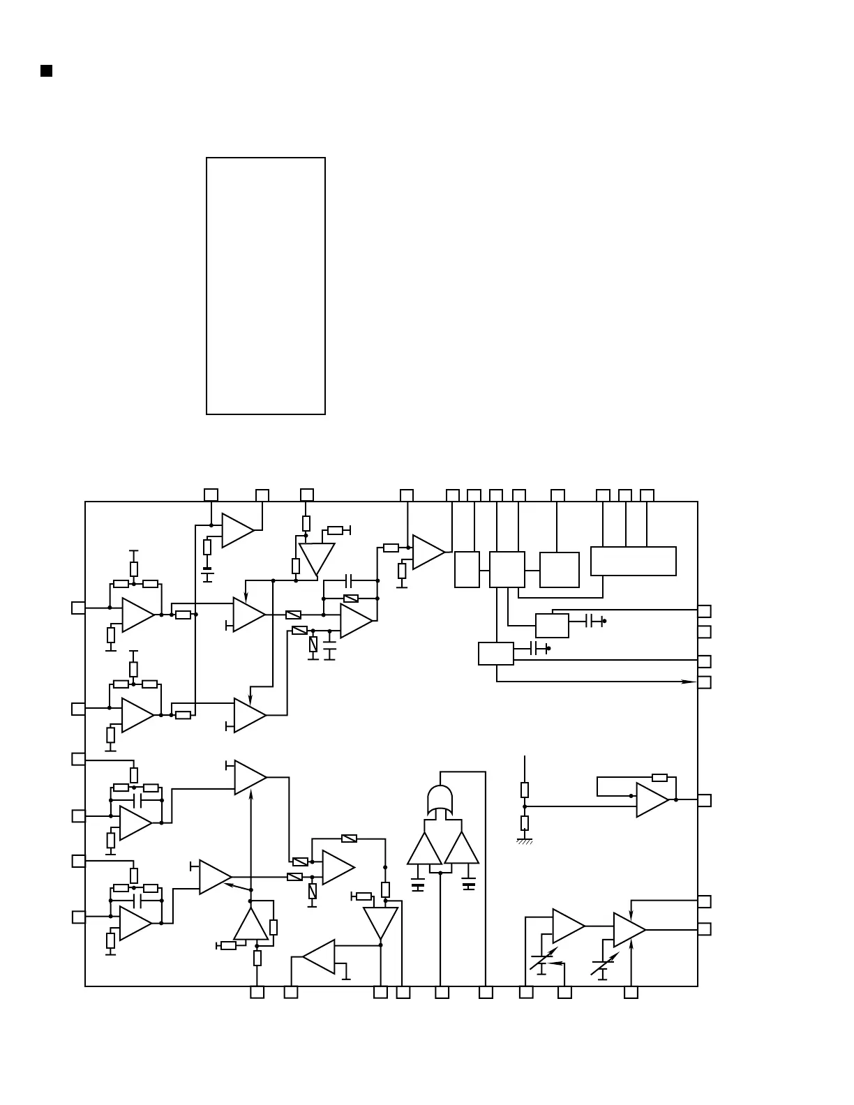
1.Pin layout
2.Block diagram
AN8806SB-W (IC501) : RF & Servo amp.
PD 1
LD 2
LDON 3
LDP 4
VCC 5
RF- 6
RF OUT 7
RF IN 8
C.AGC 9
ARF 10
C.ENV 11
C.EA 12
CS BDO 13
BDO 14
CS BRT 15
OFTR 16
/NRFDET 17
GND 18
36 PDAC
35 PDBD
34 PDF
33 PDE
32 PDER
31 PDFR
30 TBAL
29 FBAL
28 EF-
27 EF OUT
26 TE-
25 TE OUT
24 CROSS
23 TE BPF
22 VDET
21 LD OFF
20 VREF
19 ENV
30
24 25
26
23
22
14
3
33
32
34
31
36
35
13
14
15
16
20
2
21
6
29
728
27
8
910 17
11
12 19
ENV CURCUIT
RF
DET
AGC
EQ
BDO
OFTR
-
+
VCBA
VCBA
VCBA
+
-
+
-
-
+
-
+
-
+
-
+
-
+
-
+
-
+
-
+
-
+
- +
-
+
+ -
+
-
- +
- +
VCBA

Other manuals for JVC KD-S6250

Related product manuals