EasyManua.ls Logo

JVC KD-S6250 - Page 18

JVC KD-S6250
27 pages
Print Icon
To Next Page IconTo Next Page
To Next Page IconTo Next Page
To Previous Page IconTo Previous Page
To Previous Page IconTo Previous Page
Loading...
KD-S6250/KD-S580
1-18
11
6 20
1
4
10
15
25
13
14
16
12
9
8
5
7
2
22
17
19
18
21
23
24
3
-
+
-
+
-
+
-
+
-
+
-
+
-
+
-
+
IN 1
IN 2
ST BY
Vcc 1/2 Vcc 3/4
OUT 1+
OUT 1-
PWR GND1
OUT 2+
OUT 2-
PWR GND2
R.F
IN 3
IN 4
PRE GND
ON TIME C
Muting &
ON Time Control
Circuit
Protective
circuit
Protective
circuit
Mute
circuit
Ripple
Filter
Stand by
Switch
N.C
+
+
0.22 F
2200 F 0.022 F
0.22 F
TAB
+5V
ST ON
+
+
+
+
47 F
0.22 F
0.22 F
22 F
+
Mute
10K
+
3.3 F
OUT 3+
OUT 3-
Low Level
Mute ON
PWR GND3
OUT 4+
OUT 4-
PWR GND4
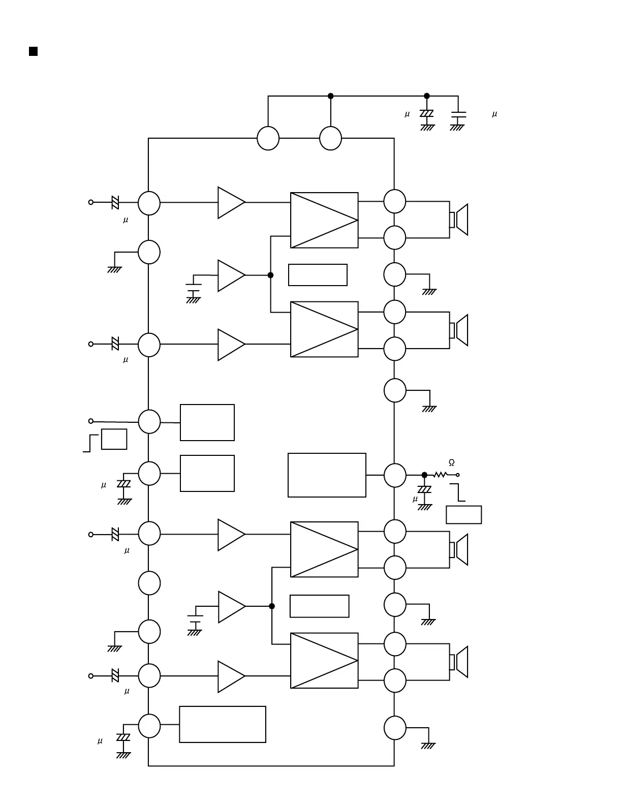
LA4743K(IC321):Power AMP
1.Block diagram

Other manuals for JVC KD-S6250

Related product manuals