EasyManua.ls Logo

JVC KD-S871R - Page 18

JVC KD-S871R
50 pages
Print Icon
To Next Page IconTo Next Page
To Next Page IconTo Next Page
To Previous Page IconTo Previous Page
To Previous Page IconTo Previous Page
Loading...
1-18
KD-S871R
11
6 20
1
4
10
15
25
13
14
16
12
9
8
5
7
2
22
17
19
18
21
23
24
3
-
+
-
+
-
+
-
+
-
+
-
+
-
+
-
+
IN 1
IN 2
ST BY
Vcc 1/2 Vcc 3/4
OUT 1+
OUT 1-
PWR GND1
OUT 2+
OUT 2-
PWR GND2
R.F
IN 3
IN 4
PRE GND
ON TIME C
Muting &
ON Time Control
Circuit
Protective
circuit
Protective
circuit
Mute
circuit
Ripple
Filter
Stand by
Switch
N.C
+
+
0.22 F
2200 F 0.022 F
0.22 F
TAB
+5V
ST ON
+
+
+
+
47 F
0.22 F
0.22 F
22 F
+
Mute
10K
+
3.3 F
OUT 3+
OUT 3-
Low Level
Mute ON
PWR GND3
OUT 4+
OUT 4-
PWR GND4
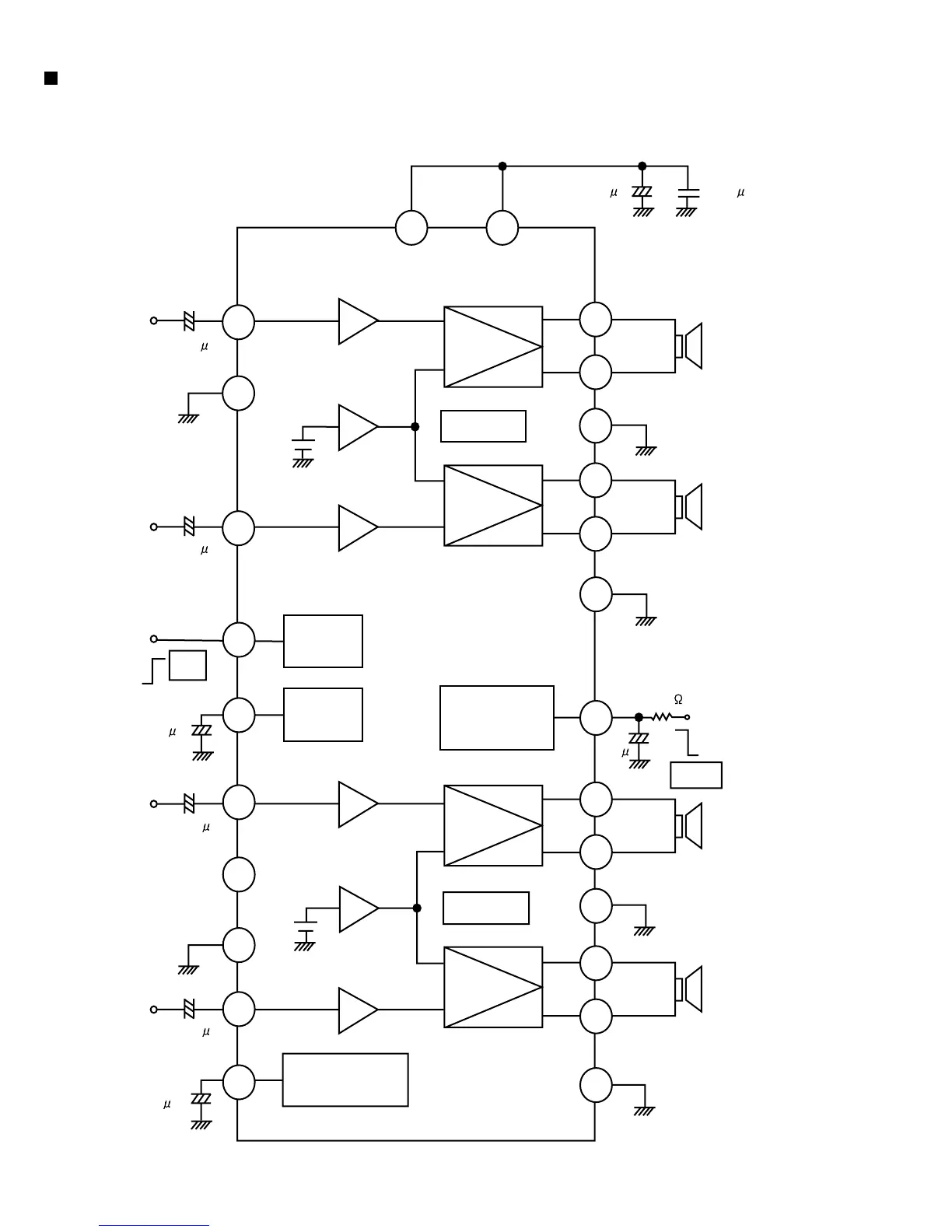
LA4743K(IC301):Power amp
1.Block diagram

Related product manuals