EasyManua.ls Logo

JVC KD-S871R - Page 20

JVC KD-S871R
50 pages
Print Icon
To Next Page IconTo Next Page
To Next Page IconTo Next Page
To Previous Page IconTo Previous Page
To Previous Page IconTo Previous Page
Loading...
1-20
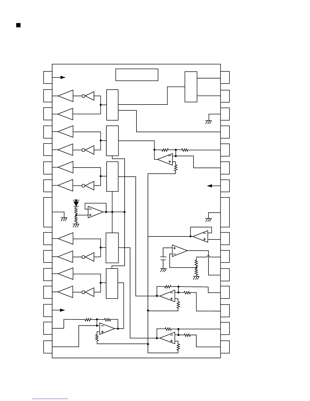
KD-S871R
VCC2
V05-
V05+
V04+
V04-
V03+
V03-
V02+
V02-
V01+
V01-
VCC1
VIN1
VIN1G
FR
REV
FWD
S-GND
VCONT
VIN4
VIN4G
VCC-S
VREF-IN
REG-OUT
REG-IN
VIN3G
VIN3
VIN2G
VIN2
FR
28
27
26
25
24
23
22
21
20
19
18
17
16
15
FR
1
2
3
4
5
6
7
8
9
10
11
12
13
14
FR
CH 3,4,5
Power supply
Output control
CH5
CH4
CH2
CH1
CH3
22K 11K
5VREG(PNPTr
The outside putting)
22K
22K
22K
11K
11K
11K
CH1,2
Power supply
LA6567H-X(IC501):BTL driver
1.Pin layout & blockdiagram
Level shiftLevel shiftLevel shiftLevel shift
Thermal shutdown
Input
Signal system power supply

Related product manuals