EasyManua.ls Logo

JVC KD-S871R - Page 25

JVC KD-S871R
50 pages
Print Icon
To Next Page IconTo Next Page
To Next Page IconTo Next Page
To Previous Page IconTo Previous Page
To Previous Page IconTo Previous Page
Loading...
1-25
KD-S871R
2
1
11
12
10
15
13
14
5
4
6
3
8
9
7
Surge Protector
BIAS TSD
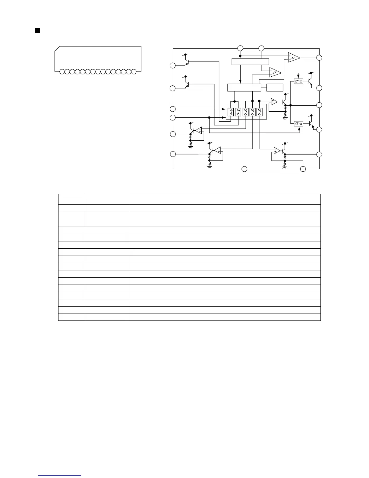
HA13164A (IC961) : Regurator
1.Pin layout
2.Block daiagram
3.Pin function
Pin No. Symbol Function
1
2
3
4
5
6
7
8
9
10
11
12
13
14
15
REMOTE
ANT
ACC.IN
VDD5V
SW5V
ACC5V
ANT CTRL
MEMORY.IN
BATT DET
9V
CTRL
CD 8V
AJ
10V
GND
Output voltage is VCC-1V.When M or H level applied to CTRL pin.
Output voltage is VCC-1V.When M or H level to CTRL pin and H
level to ANT-CTRL.
Connected to ACC.
Regular 5.7V.
Output voltage is 5V when M or H level applied to CTRL pin.
Output for ACC detector.
L:ANT output OFF, H:ANT output ON
Connected to VCC.
Low battery detect.
Output voltage is 9V When M or H level applie to CTRL pin.
L:BIAS OFF, M:BIAS ON, H:CD ON
Output voltage is 8V when H level applied to CTRL pin.
Adjustment pin for ILM output voltage.
Output voltage is 10V when M or H level applied to CTRL pin.
Connected to GND.
123456789101112131415
REMOTE
ANT
ACC.IN
VDD5V
SW5V
ACC5V
ANT CTRL
MEMORY.IN
BATT DET
9V
CTRL
CD 8V
AJ
10V
GND

Related product manuals